Józsa László

Paleopathologia

Elődeink betegségei


Szövettani vizsgálatok csontokon

A megtisztított vázanyagot kétféleképpen, csontcsiszolatokban, vagy szövettani metszetekben vizsgálhatjuk. Mindkét módszernek megvannak az előnyei és hátrányai. Bármelyiket is választjuk, a „nyers” csontokat előbb rögzíteni kell. A régóta földben nyugvó skeletonok vagy mineralizálódtak, vagy a talajsavak hatására elmésztelenedtek, törékenyek, morzsalékonyak, fixálás nélküli feldolgozás során szétesnek. A csontok rögzítésére legjobban bevált a pufferolt (pH 7,4) 4–10%-os formalin, vagy alkohol-formalin keveréke. Általában 24–48 órás rögzítés elegendő, de az anyag akkor sem károsodik, ha 1–3 hétig áll a szerben. A fixálás után kettéválik a csiszolatkészítés és metszetkészítés technikája.
Csontcsiszolat csak teljesen száraz és zsírmentes csontból készíthető. A fixált anyagból folyóvízzel kimossuk a rögzítő oldatot, majd felszálló töménységű (50–60–70–80–96–100%-os) alkohollal víztelenítjük, xilolban zsírtalanítjuk és levegőn (akár heteken át) kiszárítjuk. A teljesen exsiccált darabokat előbb szirup, majd méz-sűrűségű kanadabalzsammal itatjuk át és hagyjuk beszáradni. Ez a művelet a csontokat keménnyé és rugalmassá, csiszolásra alkalmassá teszi. A kanadabalzsam kitölti a csont üregeit, csatornáit, ezért a kész preparátumból xilolos öblítéssel kioldjuk. A csiszolás történhet kézi, vagy gépi úton. A jó minőségű, 40–100 µm vastagságú készítményben vizsgálhatjuk a Havers-csatornák méreteit, a csontlemez és gerenda rendszerét ill. azok elváltozásait, a kóros képződmények szerkezetét, a csontok mésztartalmát. A csiszolat nagy előnye, viszonylag egyszerű elkészíthetősége, használhatósága az átmenő és felülvilágító, valamint polármikroszkóppal történő vizsgálatra. Hátránya, a készítmény vastagsága, ami akadálya szövettani festési eljárások alkalmazásának, továbbá, munka időigényes előállíthatósága.
 
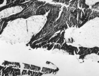
8. ábra. Dekalcinálatlan, műgyantába ágyazott koponyacsont mikroszkópos képe. Toluidinkék festés, 240× nagyítás
 
Szövettani metszetek kétféleképpen készülhetnek. A dekalcinálatlan preparátumokból nem oldjuk ki az ásványi anyag tartalmat. A csontmintákat fixálás után kimossuk, felszálló alkohol sorban víztelenítjük. Dehidrálást követően alkoholkloroform keverékbe, vagy petroléterbe tesszük majd műgyantával itatjuk át. A metilmetakrilát, vagy araldit stb., pár nap alatt átjárja a csontot, ezután polimerizáljuk és megkeményedését követően blokkokba faragjuk. A polimerizált műgyanta keményebb a csontnál, ezért csak különleges műszerekkel készíthető belőle metszet. A kisebb minta ultramikrotómmal, üvegkéssel metszhető, ha az anyag oldaléle 4–5 mm-nél nagyobb, akkor nehézmikrotómmal, vídia-késsel készülnek az 5–10 µm vastagságú szövettani preparátumok. A metszetek a műgyanta kioldása után, vagy anélkül megfesthetők, egyaránt alkalmasak fény-, polarizációs- vagy fluoreszcens mikroszkópos vizsgálatra (8. ábra), képanalizátorral quantitatív értékelésre. A műgyantás beágyazás előnye, a csontok mésztartalma megtartottsága, hátránya a szükséges vegyszerek és műszerek rendkívüli drágasága.
Az esetek többségében dekalcinált (mésztelenített) csontdarabokat dolgozunk fel. Amikor a 20. század elején megkezdődtek a rendszeres paleohisztológiai vizsgálatok, a savas dekalcinálás sósavval, salétromsavval, hangyasavval, triklórecetsavval, pikrinsavval stb. történt. Valamennyi sav közös hátránya, hogy nemcsak a mésztartalmat, hanem a csont fehérjéit is feloldhatja, emiatt az egész vizsgálati anyag tönkremegy, vagy értékelhetetlenné válik. A paleohisztológiával foglalkozók nagytöbbsége (mi is) az EDTA-oldatot alkalmazza, ami kizárólag a mésztartalmat oldja ki, a szerves állomány nem károsodik, nem történhet „túldekalcinálás”. Az 1-2 hetes mésztelenítést követően, felszálló alkohol-soros víztelenítés, xilolos kezelés következik, paraffinba, vagy kettős beágyazási eljárással előbb celloidinba, majd paraffinba kerül az anyag. Az 5–20 µm vastag metszeteket fuchsin, Schmorl, Masson, Giemsa, toluídinkék, thionin stb. festéssel színezzük. A toluidinkék és pikroszíriusz festéseknek nagy előnyük, hogy a kollagén kettőstörését felerősítik, ezért jobban vizsgálhatók polarizációs mikroszkóppal.

Paleopathologia

Tartalomjegyzék


Kiadó: Semmelweis Kiadó

Online megjelenés éve: 2026

ISBN: 978 963 331 721 1

Józsa László (1935) a Debreceni Orvostudományi Egyetemen végzett, majd Kecskeméten dolgozott 1968-ig. 1968–1999-ig az Országos Traumatológiai Intézet patológus főorvosa. Közben másfél évtizeden át a Tamperei Egyetem professzora. 1972-ben az Orvostudomány kandidátusa, 1980-ban akadémiai doktori minősítést szerzett. Őskórtani munkáit hosszú évtizedeken át folytatta.

A millecentenáriumra megjelent könyvében a honfoglaló és Árpád-kori népesség egészségi állapotát és betegségeit foglalta össze. Sokezer csontváz és jó néhány múmia makroszkópos és szövettani-hisztokémiai vizsgálata közben a rencens patológia legmodernebb eljárásait alkalmazta. Így sikerült enzimeket, köztiállomány alkotórészeket kimutatni egyiptomi múmia bőrében, XIX. századi múmia vesegyulladásában az immunglobulin-kicsapódást. „Amikor az egyetemen, vagy munkánk közben betegségekről tanulunk, rendszerint megismerjük annak első leíróját, megtudjuk a felfedezések időpontját, ki és mikor dolgozott ki valamiféle műtéti eljárást, vizsgálómódszert. Időnként elrévedünk: vajon mit tudhattak szakmai őseink, hogyan figyelhettek fel azokra a betegségekre, elváltozásokra, amelyek az emberiség életét már a történelem ködébe vesző évezredekben is keserítették. Ezekre, és hasonló kérdéseinkre kapunk választ Józsa László egyetemi tanár könyvében, aki évtizedeken át vizsgálta a föld mélyéből napvilágra kerülő emberi maradványokat, kórboncnokként összehasonlította a napjaink emberén kialakuló elváltozásokkal. Közben szorgalmasan gyűjtötte a kérdéssel foglalkozó világirodalmi adatokat.”

Dr. Cseplák György

A majd kétszáz fotóval gazdagon illusztrált könyv a történelem előtti vagy a későbbi korokból származó, emberi maradványokon található kóros elváltozásokkal foglalkozik. A téma éppúgy érdekli az orvost, állatorvost, őslénykutatót, régészt, antroplógust, humánbiológust vagy a történészt, történeti demográfust, múzeológust.

Hivatkozás: https://mersz.hu/jozsa-paleopathologia//

BibTeXEndNoteMendeleyZotero

Kivonat
fullscreenclose
printsave