Józsa László

Paleopathologia

Elődeink betegségei


Hisztokémiai és immunhisztokémiai vizsgálatok

A hisztokémiai (szövetvegytani) vizsgálatok során ismert kémiai reakcióval ismert vegyi szerkezetű – összetételű anyagokat tüntetünk fel metszetekben. A szöveti alkotórészek egy csoportja az előkészítéskor használt vegyszereknek (alkohol, xilol stb.) ellenáll. A lipidek zsíroldószerekben kioldódnak, kimutathatatlanokká válnak. Ha a zsírokat, zsírszerű anyagokat kívánjuk vizsgálni, akkor a fixált (csont esetében a fixált és mésztelenített) mintából –25–30 °C-on kriosztátban készített fagyasztott metszeteket zsírfestő szerekkel (Szudán III, Oil Red O, Oil Black, Níluskékszulfát stb.) festjük meg (Sandison 1959). A Níluskék festés a neutrális zsírokat kékre, a zsírsavakat pirosra színezi, szemben a többi zsírfestővel, amelyek csak a neutrális lipideket tüntetik fel. Fagyasztott metszetekben polarizációs mikroszkóppal feltűnnek a koleszterinkristályok, beágyazott készítményben kioldódásuk után maradt tű alakú üregek látszanak. A cukortartalmú fehérjék (pl. mirigyváladékok, nyák, kötőszöveti és porc alapállomány stb.) jelenléte PAS reakcióval, az óriás molekulájú cukorszerű anyagok (ilyenek a kötőszövetben, porcban, csontban a glycosaminoglycánok), alciánkékkel kolloid-vas reakcióval, toluidinkékkel stb. detektálhatók. Sok más festési és szövetvegytani reakció ismert a poliszaccharidák kimutatására, azonban ezek kevésbé alkalmasak múmia- és/vagy csontszövet vizsgálatára.
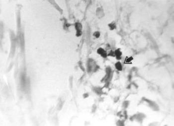
Weser és mtsai (1989) folyadék kromatográfiával 1200 éves múmia agymaradványaiból szuperoxid-dizmutáz aktivitást határoztak meg. Később (1994 és 1995) az alkalikus foszfatáz izoenzimeket kémiai és immunológiai eljárásokkal azonosították. Mindez előre vetítette, hogy némely fermentum mikroszkóposan is detektálható lesz. Tudomásunk szerint elsőként nekünk sikerült a vörösvértestek peroxidáz enzimét (17. ábra) egyiptomi múmia bőrében hisztokémiailag azonosítani (Józsa és Pap 1996). Hoyle és mtsai (1997) egyiptomi és perui múmiák perifériás idegeinek nitritoxid-szintetáz és neuropeptidáz enzimeit mutatták ki.
Szervetlen anyagok (a kalcium, vas, réz, stb.) nehézség nélkül, a szervezetben képződő epefesték, hemoglobin, hemosziderin, hematoidin a múmiaszövetekben jól feltüntethetők. A kóros anyaglerakódások (húgysav, oxalát kristályok, ochronosis pigment stb.) esetenként detektálhatók, viszont sohasem írták le az amyloidot. A külvilágból a szervezetbe jutott és ott felhalmozódó anyagok (korom, belélegzett porok, növényi részek stb.) gyakran identifikálhatók. A kórokozók nagy többsége sem a csontokban, sem múmiaszövetekben nem tüntethető fel, a postmortális baktérium- és gombainvázió viszont jól látszik hagyományos eljárásokkal. Komoly tévedést okozhat, ha a környezetből postmortálisan bejutott baktériumokat, gombákat vélik pathogénnek. A fogkövekbe és vesekőbe ágyazódott, konzerválódott coccusokat, baktériumokat, gombákat fénymikroszkóposan is igazoltunk. Némileg más a helyzet az élősködőkkel. A paraziták és petéik annyira ellenállóak, hogy fertőzött múmiákban gyakran megtalálhatók.
Immunhisztokémiai reakciókban a különböző szöveti elemek (kollagén, izomfehérje, enzimek stb.) antigénként szerepelnek, ezeket reagáltatjuk specifikus antitesteikkel, majd egy következő lépésben az antigén–antitest kötődés helyét színreakcióval (esetleg fluoreszcens festéssel) tüntetjük fel. Az immunreakciók rendkívül fajlagosak, recens anyagban specificitásuk 95–100%, szenzitivitásuk 90–95% körüli. A szövetek károsodása miatt múmiákon a szenzitivitás alacsonyabb (Fulcheri 1995). Az immunhisztokémiai vizsgálatok még nem terjedtek el az őskórtanban, kivéve a vércsoportok immunfluoreszcens kimutatását.
5. táblázat. Múmiaszöveteken végzett szövettani festési eljárások
Festés
Eredmények
Hematoxilin-eozin (HE)
Általános áttekintő festés.
Van-Gieson festés
Kollagén piros, minden egyéb sárga.
Pikroszíriusz festés
U.a. mint van-Giesonnál + anizotrópos festés polármikroszkópiához.
Masson trikróm festés
Kollagén, csont kék, hám, osteoid piros.
Goldner trikróm festés
Hám, ideg piros, kollagén, csont zöld.
Mallory trikróm festés
Hám, izom vöröseslilák, velőshüvelyű ideg sárga, kötőszövet, porc kék.
Rezorcin-fuchsin festés
Rugalmasrost fekete, kollagén piros. (13. ábra)
Orcein festés
Rugalmasrost barna.
Schmorl festés
Csontüregek és csontcsatornák fala sötétkék, csontállomány zöldeskék.
Luxol Fast Blue (Klüver) festés+pikroszíriusz
Velőshüvelyű ideg kék, hám, izom sárgászöld, kötőszövet liláspiros. (11. ábra)
Foszforwolframsavas hematoxilin (PTAH)
Izom harántcsíkolata kékeslila.
Golodetz–Unna (Masson-Fontana festés)
Melanin, epefesték, ochronosis pigment, hematoidin kék, minden egyéb piros. (9. ábra)
Gömöri-féle ezüstözés
Rácsrostok feketék, kollagén dohánybarna, egyes esetekben a múmiaszövet sejtmagjait is „előhívja” barnásfekete színben. (10. ábra)
Jones-féle festés
Bazálmembránok barnák.
PAS-festés
Nyák, kötőszöveti alapállomány, gombafonalak és spórák pirosak. (15. ábra)
Berlinikék reakció
Vastartalmú anyagok kékek.
Kossa-festés
Mésztartalmú részek barnásfeketék. (106/C ábra)
Alizarin Red festés
Meszes képletek vörösek.
Toluidinkék festés
Glycosaminoglycánok, kötőszöveti és porc alapállomány ibolyásvörös.
Alciánkék festés
Glycosaminoglycánok égszínkékek.
Alciánkék-PAS festés
Savanyú poliszaccharidok kékek, más cukortartalmú anyagok pirosak (porcban, csontban, kötőszövetben, mirigyhámban).
Gram-festés
Baktériumok feltüntetésére.
Ziehl–Neelsen-festés
Saválló baktériumok kimutatására.
Giemsa-festés
Múmiaszövetekben a fehérvérsejteket pirosaslilára, mást halványpirosra festi.
Feulgen-reakció
DNS (sejtmagok) pirosak.
Szudán III/Oil red O
Lipidek narancssárga/pirosak.
Sudan black
Lipidek feketék.
Níluskék szulfát
Zsírsav piros, neutrális lipid kék.
Akridinorange (fluoreszcens) festés
DNS (maganyag) sárga-narancssárga.
9. ábra. Fokozott pigmenttartalom (nyíl) a bőr Malpighi rétegében. Római kori (kb. 2000 év) múmia fejbőre. Masson-Fontana reakció, eozin kontrasztfestés, 200× nagyítás
 
10. ábra. Verejtékmirigyek és a körülöttük lévő rácsrostozat római kori múmia fejbőréből készült metszetben. Az ezüstözéssel gyakran „előhívhatók” a más eljárásokkal fel nem tüntethető sejtmagok is. Gömöri-ezüstözés, 200× nagyítás
 
11. ábra. Bőrben lévő ideg (nervus facialis ág) velőshüvelyű idegrostjai. Római kori múmia bőre. Luxol Fast Blue festés, 200× nagyítás
 
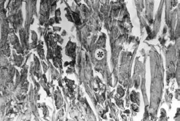
12. ábra. A 19. századi férfi múmia aortájában kifekélyesedett atheromás plakk, a koleszterin kristályok helyét tű alakú üregek (csillag) jelzik. HE festés 150× nagyítás
 
13. ábra. A veseartéria falában kitűnően feltüntethető az elasztikus membrán. 19 éves nő (meghalt 1801) veséje. Elastica-van-Gieson festés, 150× nagyítás
 
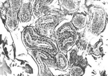
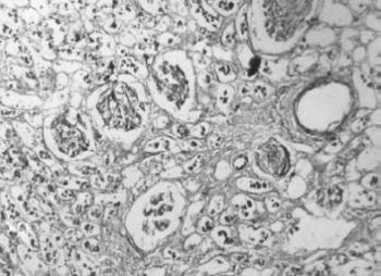
14. ábra. A vese glomerulusai, a kanyarulatos csatornák alapi hártyája, valamint a csatornákban lévő cilinderek jól festődnek PAS festéssel. 71 éves férfi mumifikálódott veséje, 100× nagyítás
15. ábra. Jómegtartású vékonybélrészlet 19. századi fiatal nő múmiájából. Kimutathatók a bélbolyhok és mirigyek. A nyíllal jelzett kinagyított területen a mirigy végkamrák sejtjeinek kifejezett PAS pozitivitása látszik. A) 100× nagyítás, B) 300× nagyítás
 
16. ábra. A bőr kollagén rostozatának kettőstörése. Római kori múmia. Pikrosziriusz festés, 100× nagyítás, polármikroszkópos felvétel
 
17. ábra. A vörösvértestek peroxidáz enzimaktivitása (nyíl) jól kimutatható a római kori múmia bőrvérzésében. Peroxidáz-DAB reakció. 400× nagyítás
 
18. ábra. A vaskos kötőszöveti rostok (csillag) közepes erősségű reakciót adnak I típusú kollagén-ellenes antitestekkel. Typ.I. anticollagen-ABP immunhisztokémiai reakció, római kori múmia bőrében.(vö. a 19. ábrával) 200× nagyítás
 
19. ábra. A III típusú kollagénellenes antitestekkel csak a vékony rostok reagálnak (nyíl), a vaskosak (I típusú kollagénből állóak) nem. Typ. III. anticollagen-ABP reakció, római kori múmia bőrében. 200× nagyítás
 
20. ábra. Fibronectin pozitivitás (nyíl) római kori múmia bőrének kisartériájában. Fibronectin-ABP reakció, 200× nagyítás
 
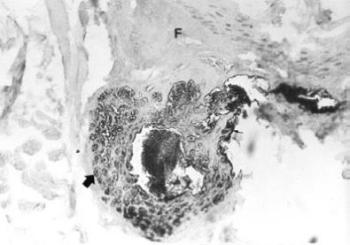
21. ábra. Epithelialis membrán antigén (EMA) kimutatása római kori múmia bőrében. Az EMA aktivitás csak a szőrtüszők sejtjeiben maradt meg (nyíl), a felhámban (F) nem. EMA-ABP immunhisztokémiai reakció, 200× nagyítás
Testidegen anyagok, kórokozók azonosításáról csak szórványos beszámolókat ismerünk, noha a recens pathologiai gyakorlatban több mint százféle kórokozó (vírusok, baktériumok, gombák) detektálható. A himlő vírust Fornaciari (1986) immunelektronmikroszkóposan, Marennikova és mtsai (1990) immunhisztokémiailag, a Treponema pallidumot és a Trypanosoma Cruzit immunfluoreszcens technikával tüntették fel múmiákban (Fornaciari és mtsai 1989, 1990, 1993).
Számos eljárás ismert az emberi testfehérjék immunhisztokémiai azonosítására. Nemcsak a kollagén, elasztin, izomfehérjék (aktin, myosin, troponin stb.), hanem az alapállomány proteinjei (fibronectin, laminin) és a fehérje-polisaccharida komplexek is lokalizálhatók. Egyiptomi múmia bőrében I, III és IV típusú kollagént (18. ábra, 19. ábra), fibronektint (20. ábra) és laminint (Józsa és Pap 1996, 1998), csontban I, III és VI típusú kollagént (Nerlich és mtsai 1993), immunglobulinokat (Józsa és mtsai 1995), thyreoglobulint (Cirani és mtsai 1999), humán tej-fehérjét (Human milk fat globule) fiatal női múmia emlőjében (Allison és mtsai 1998) detektáltak.
 
22. ábra. A cytokeratin a faggyú- és verejtékmirigyekben egyaránt kimutatható. Római kori múmia bőre. Pancytokeratin-ABP reakció, 100× nagyítás
 
23. ábra. A prostata simaizom sejtjeiben kifejezett desmin-pozitivitás látható. 19. századi múmia. Desmin-ABP reakció, 100× nagyítás
 
24. ábra. Sztereomikroszkópos felvétel a sípcsont bokanyúlványának csontszerkezetéről. 20× nagyítás
 
A sejtmarkerek olyan fehérjék, amelyek kizárólag bizonyos eredetű és funkciójú sejtekben fordulnak elő. A hámsejtek (egyéb markerek mellett) cytokeratinokat (CK) és epithelialis membrán antigént (EMA), tartalmaznak (21. ábra, 22. ábra). Az izomsejtek egyik markere a desmin, amelyet prostatában sikerült feltüntetnünk (23. ábra). Sok más sejtmarker (vimentin, lizozim, α-1 antitripszín stb.) kimutatása nem járt sikerrel. Gerszten és mtsa (1995) múmiák agyszövetét hisztológiai megfigyelésre alkalmasnak találták, a gliasejtek markerét, a GFAP-t (glial fibrillary acidic protein) nem tudták detektálni. A múmiaszöveteken végzett sikeres immunhisztokémiai azonosításokat a 6. táblázatban foglaltam össze.
 

Paleopathologia

Tartalomjegyzék


Kiadó: Semmelweis Kiadó

Online megjelenés éve: 2026

ISBN: 978 963 331 721 1

Józsa László (1935) a Debreceni Orvostudományi Egyetemen végzett, majd Kecskeméten dolgozott 1968-ig. 1968–1999-ig az Országos Traumatológiai Intézet patológus főorvosa. Közben másfél évtizeden át a Tamperei Egyetem professzora. 1972-ben az Orvostudomány kandidátusa, 1980-ban akadémiai doktori minősítést szerzett. Őskórtani munkáit hosszú évtizedeken át folytatta.

A millecentenáriumra megjelent könyvében a honfoglaló és Árpád-kori népesség egészségi állapotát és betegségeit foglalta össze. Sokezer csontváz és jó néhány múmia makroszkópos és szövettani-hisztokémiai vizsgálata közben a rencens patológia legmodernebb eljárásait alkalmazta. Így sikerült enzimeket, köztiállomány alkotórészeket kimutatni egyiptomi múmia bőrében, XIX. századi múmia vesegyulladásában az immunglobulin-kicsapódást. „Amikor az egyetemen, vagy munkánk közben betegségekről tanulunk, rendszerint megismerjük annak első leíróját, megtudjuk a felfedezések időpontját, ki és mikor dolgozott ki valamiféle műtéti eljárást, vizsgálómódszert. Időnként elrévedünk: vajon mit tudhattak szakmai őseink, hogyan figyelhettek fel azokra a betegségekre, elváltozásokra, amelyek az emberiség életét már a történelem ködébe vesző évezredekben is keserítették. Ezekre, és hasonló kérdéseinkre kapunk választ Józsa László egyetemi tanár könyvében, aki évtizedeken át vizsgálta a föld mélyéből napvilágra kerülő emberi maradványokat, kórboncnokként összehasonlította a napjaink emberén kialakuló elváltozásokkal. Közben szorgalmasan gyűjtötte a kérdéssel foglalkozó világirodalmi adatokat.”

Dr. Cseplák György

A majd kétszáz fotóval gazdagon illusztrált könyv a történelem előtti vagy a későbbi korokból származó, emberi maradványokon található kóros elváltozásokkal foglalkozik. A téma éppúgy érdekli az orvost, állatorvost, őslénykutatót, régészt, antroplógust, humánbiológust vagy a történészt, történeti demográfust, múzeológust.

Hivatkozás: https://mersz.hu/jozsa-paleopathologia//

BibTeXEndNoteMendeleyZotero

Kivonat
fullscreenclose
printsave