Józsa László

Paleopathologia

Elődeink betegségei


Elektronmikroszkópos vizsgálatok

Az elektronmikroszkópiának két formáját, a transzmissziós elektronmikroszkópot (TEM) és a scanning (pásztázó) elektronmikroszkópot (SEM) alkalmazzuk.
TEM vizsgálatkor legfeljebb 1 mm3 térfogatú szövetdarabkákat rögzítenek, majd víztelenítés után műgyantába ágyazzák. Az üveg- vagy gyémántkéssel készült ultravékony metszeteket sugárfogó anyagokkal (uranilacetát, ólomcitrát, foszforwolframsav stb.) kontrasztozzák. Ezeket a preparátumokat világítjuk át elektronsugárral, s végeredményben akár többszázezres nagyítású síkbeli képet kapunk. Vázmaradványok vizsgálatában nincsen nagy szerepe a TEM-nek, alkalmazása elsősorban akkor jön szóba, ha a kollagén szubmikroszkópos szerkezeti anomáliáira van gyanúnk pl. osteogenesis imperfecta esetén (27. ábra). A múmiaszövetek, lágyrészek elemzésekor jóval nagyobb szerep jut a TEM-nek, ugyanis fénymikroszkópban nem láthatók azok az organellumok (desmosoma, mitochondrium, endoplasmas reticulum), amelyek ultrastrukturálisan értékelhetők. A TEM alkalmazását Shackleford és mtsa (1964) valamint Levin (1967) vezette be, kezdetben csak a kollagénrostok tanulmányozására szolgált, később Cockburn és mtsai (1975) a sejtmagokat, Stenn (1981) vérsejteket és kórokozókat, Zheng és mtsai (1979) az idegek velőshüvelyét, Gerszten és mtsai (1997) a lymphocyták finomszerkezetét vizsgálták. Fornaciari és Marchetti (1986) pedig himlővírust azonosítottak múmiában immunelektronmikroszkópos eljárással. Mi viszonylag kevés TEM-feldolgozást végeztünk, elsősorban a kollagén ultrastrukturájának elemzésére (27. ábra, 28. ábra).
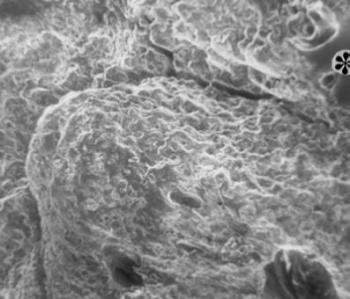
SEM-vizsgálatkor az elektronsugár az anyag felületét pásztázza, minden pontról képet alkot és a végeredmény a térhatású több ezer vagy több tízezerszeres nagyítású felvétel. A SEM-vizsgálatokhoz az anyag előkészítése egyszerűbb és jóval nagyobb mintákat lehet áttekinteni. A feldolgozás ilyenkor is az anyag rögzítésével, majd víztelenítésével kezdődik, ezt követően azt kiszárítják, felületére vékony aranyréteget visznek fel. A SEM feloldóképessége kisebb, mint a másik elektronmikroszkópé, azonban ezért bőven kárpótol a szép, részletdús kép, kiterjedtebben használható a paleopathologiában. Nemcsak ekto- és endoparazitákat (Stenn 1981), múmiaszöveteket, coprolithot, hanem osteomyelitises és daganatos csontokat (Schultz 1986), poroticus hyperostosist (Józsa és Pap 1991), hajmaradványokat (Pap és Józsa 1990), enthesopathiás csontkinövéseket stb. is vizsgáltak (29. ábra, 30. ábra), Schamall és mtsai (1999) pedig egy meningeoma differenciáldiagnosztikájában alkalmazták. Nemcsak emberi, hanem sokkal idősebb leleteken (80 millió éves őshüllő csontokban) Pawliczki (1976 és 1978) sejteket, kollagénrostokat, ércsatornákat tudott kimu tatni. Bár mind a TEM, mind a SEM bonyolult, drága vizsgálat, mégis kezdenek elterjedni az őskórtanban és olyan új lehetőségeket nyitottak, amelyeknek csak töredékével éltünk ez ideig.
 
29. ábra. Enthesopathiás csonttaraj pásztázó elektronmikroszkópos képe. 10–11. századból való sarokcsont. SEM 130× nagyítás
 
30. ábra. Baktérium halmaz (nyíl) vesekőben. 60 éves férfi, 18. századi múmiájából. SEM 14400× nagyítás
 
Mikroanalizátor mindkét készülékhez csatlakoztatható, a kiválasztott terület anorganikus komponenseinek mennyisége megállapítható, rendkívül kis anyagmintákban egyszerre többféle elem nagypontosságú mérését végzi. Bár Kósa és mtsai (1989) úgy nyilatkoztak, hogy „többszázéves csontvázak esetében” nem adott kielégítő eredményeket és csak a kalcium és foszfor mennyiségét tudták mérni, mások sikerrel alkalmazták a csontokban és múmiaszövetekben felhalmozódott nehézfémek quantitativ meghatározására (Hansen és mtsai 1985).

Paleopathologia

Tartalomjegyzék


Kiadó: Semmelweis Kiadó

Online megjelenés éve: 2026

ISBN: 978 963 331 721 1

Józsa László (1935) a Debreceni Orvostudományi Egyetemen végzett, majd Kecskeméten dolgozott 1968-ig. 1968–1999-ig az Országos Traumatológiai Intézet patológus főorvosa. Közben másfél évtizeden át a Tamperei Egyetem professzora. 1972-ben az Orvostudomány kandidátusa, 1980-ban akadémiai doktori minősítést szerzett. Őskórtani munkáit hosszú évtizedeken át folytatta.

A millecentenáriumra megjelent könyvében a honfoglaló és Árpád-kori népesség egészségi állapotát és betegségeit foglalta össze. Sokezer csontváz és jó néhány múmia makroszkópos és szövettani-hisztokémiai vizsgálata közben a rencens patológia legmodernebb eljárásait alkalmazta. Így sikerült enzimeket, köztiállomány alkotórészeket kimutatni egyiptomi múmia bőrében, XIX. századi múmia vesegyulladásában az immunglobulin-kicsapódást. „Amikor az egyetemen, vagy munkánk közben betegségekről tanulunk, rendszerint megismerjük annak első leíróját, megtudjuk a felfedezések időpontját, ki és mikor dolgozott ki valamiféle műtéti eljárást, vizsgálómódszert. Időnként elrévedünk: vajon mit tudhattak szakmai őseink, hogyan figyelhettek fel azokra a betegségekre, elváltozásokra, amelyek az emberiség életét már a történelem ködébe vesző évezredekben is keserítették. Ezekre, és hasonló kérdéseinkre kapunk választ Józsa László egyetemi tanár könyvében, aki évtizedeken át vizsgálta a föld mélyéből napvilágra kerülő emberi maradványokat, kórboncnokként összehasonlította a napjaink emberén kialakuló elváltozásokkal. Közben szorgalmasan gyűjtötte a kérdéssel foglalkozó világirodalmi adatokat.”

Dr. Cseplák György

A majd kétszáz fotóval gazdagon illusztrált könyv a történelem előtti vagy a későbbi korokból származó, emberi maradványokon található kóros elváltozásokkal foglalkozik. A téma éppúgy érdekli az orvost, állatorvost, őslénykutatót, régészt, antroplógust, humánbiológust vagy a történészt, történeti demográfust, múzeológust.

Hivatkozás: https://mersz.hu/jozsa-paleopathologia//

BibTeXEndNoteMendeleyZotero

Kivonat
fullscreenclose
printsave