Gerse Károly

Kazánok

2., javított kiadás


2.2.2.6. Túlhevítők, újrahevítők

Feladatuk a munkaközeg előírt gőzhőmérsékletének biztosítása. Rendszerint nagyszámú, párhuzamosan kapcsolt, sugárzással és konvektív hőátadással fűtött csőből állnak. Elrendezésük a hőátadás jellegétől függ. A nyomás növekedésével a kazán fűtőfelületeinek egyre nagyobb részét alkotják. Miután ezek a felületek üzemelnek a legnagyobb közeg- (így rendszerint csőfal-) hőmérsékleten, fajlagosan (egységnyi tömegre vetítve) a legdrágábbak, és fajlagos költségük a nyomás és a hőmérséklet növekedésével egyre jobban nő. Emiatt kialakításukat, anyaguk kiválasztását a lehető legnagyobb gondossággal kell végezni.
A hőátadás módját, elrendezésüket tekintve két nagy csoportra oszthatók:
  • Besugárzotttúlhevítőkre, amelyeknél a füstgázoldali hőátadás döntően a láng sugárzásának hatására történik. Az ilyen fűtőfelületek közvetlenül a tűzteret követően, a sugárzásos hőátadás számára kedvező kialakítással, széles osztással, a szükséges nagyságú gázsugárzási terek biztosításával, mintegy függönyként vannak elhelyezve (2.131. ábra). A több párhuzamos függönyből álló besugárzott túlhevítő szokásos elnevezése Schott-túlhevítő. A besugárzott túlhevítő különleges változata a faltúlhevítő, amely a tűztér végének közelében a tűztéri elgőzölögtető felületekre (vagy azokat kiváltva) kerül felfüggesztésre. Falazott kazánoknál alkalmazták az elgőzölögtető csövek közé beépített túlhevítő csöveket is.
Kialakításukat, elrendezésüket, elhelyezésüket egyrészt az elérni kívánt felmelegedéshez szükséges felület, illetve a füstgázok kellő lehűtéséhez szükséges sugárzó tér nagysága, másrészt a választott szerkezeti anyagra megengedhető falhőmérséklet határozzák meg. A kéthuzamú kazánelrendezésnél szokásos megoldásokat a 2.131. ábra a)–f) részlete mutatja. Nagyobb felmelegedés nagyobb felületet (a), f) kialakítások), a gőzfejlődés arányának növelése relatíve nagyobb sugárzó teret, (c)–e) megoldások), jobb belső hűtés kisebb csőszámot (b) részlet) igényelnek.
 
2.131. ábra. A besugárzott túlhevítők elrendezése
 
Toronykazánok esetén a besugárzott túlhevítőfelület a lefelé átáramlott felfüggesztőcsövek alsó részén, azok folytatásaként kerül kialakításra (2.131. ábra, g) részlet). Az a)–b) részleten vázolt, csak függőleges be- és elvezető szakaszokkal rendelkező felületeknél a csőfelületekben a nyomáspróba után vagy a kazán lehűlésénél (amikor a kazánon átáramló, az elgőzölögtető rendszerben uralkodó nyomáshoz tartozó telítési hőmérsékletnél hidegebb levegő hatására a túlhevítőkben kondenzálódik a gőz) víz maradhat vissza. Ez fagyveszély esetén, illetve a kazán indításánál igényel különös figyelmet. Az egyéb kialakításoknál a folyadék az alsó kamra víztelenítő vezetékén keresztül leüríthető. Általában minden egyes függöny csöveit külön-külön kell átvezetni a határoló csőfalakon, a b) és f) kialakításoknál a felnyúló felületrészek függesztőelemeinek átvezetése is szükséges. Mivel utóbbiak átvezetése egyszerűbb és olcsóbb, a 2.132. ábrán vázolt, sorba kapcsolt függönyelrendezést is alkalmazták.
 
2.132. ábra. Több, sorba kapcsolt függönyből kialakított besugárzott túlhevítő
 
Érdemes megfigyelni, hogy lényeges eltérés van a függönyöket alkotó egyes csövek hosszában. Ennek következtében a gőz felmelegedése, emiatt a csövek falhőmérséklete lényegesen különbözhet. A rövidebb csövekben az átlag alatti, a hosszabb csövekben az átlag feletti hőmérsékletekkel kell számolni. Különösen nagy eltérésre lehet számítani a 2.132. ábra szerinti vagy hasonló megoldásoknál.
  • Konvektívtúlhevítőkre, amelyeknél a füstgázoldali hőátadás döntően konvektív hőátadással történik. Ennek növelésére kellő füstgázoldali áramlási sebességre (>6 m/s), sűrű csőosztásra van szükség. Kialakításuk rendszerint köteges hőcserélőként, soros, esetenként sakktáblás csőosztással történik.
 
2.133. ábra. Konvektív túlhevítők
 
Szokásos több párhuzamos, különböző hosszúságú, kevesebb hajlítást tartalmazó (2.133. ábra, a), b) megoldások) vagy hosszú, sok hajlítással készített (2.133. ábra, c), d) megoldások) csőkígyó alkalmazása. Előbbieket általában nagyobb keresztirányú csőosztások, koptató hatású füstgáz esetén építik be. A kétféle elrendezésnél a határolófelületeken történő átvezetések, illetve a szükséges felfüggesztések száma is lényegesen eltérő. A függőleges elrendezést (2.133. ábra, a), c) megoldások) kéthuzamú kazánok kereszthuzamaiban alkalmazzák. Ezeknél a visszamaradó víz a hasonló kialakítású, besugárzott túlhevítőknél említett gondokat okozhatja.
 
Elrendezés: Füstgázirányban, az előbbiekből adódóan, először a besugárzott túlhevítők, majd a konvektív fűtőfelületek vannak beépítve. Míg besugárzott túlhevítőt nem minden esetben alkalmaznak, addig konvektív túlhevítő minden, nem telített gőzt kiadó kazánnál van. A túlhevítőket nem egyetlen kötegben helyezik el, hanem a tisztíthatóság, javíthatóság, az egyes, eltérően fűtött csőkígyókban különbözőképpen felmelegedett gőz átkeverésére, a kilépő hőmérséklet szabályozására fokozatokra osztják. Ezek csőosztása, csőmérete eltérő lehet, az anyagminőség változására egy fokozaton belül is gyakran kerülhet sor.
A hőcserélők lehetnek ellen-, egyen- vagy kevert áramúak (2.134. ábra, 2.135. ábra). Egy adott esetben a választást a költségek minimalizálása és az üzembiztonság határozza meg. Ellenáramú hőcsere (2.134. ábra (a)) esetén nagy lesz a közepes hőmérséklet-különbség, kisebb a túlhevítő fűtőfelülete, de nagyobb lesz a csőfal hőmérséklete. Így kevesebb, de drágább csőanyagot kell beépíteni. Utóbbi elkerülésére, a csőfalhőmérséklet korlátozására alkalmazzák az egyenáramú kapcsolást (2.134. ábra (b)). Ez esetben azonban túl nagy fűtőfelületre lehet szükség, vagy a kívánt hőmérséklet elérése ellehetetlenülhet.
 
2.134. ábra. A túlhevítők füstgázoldali kapcsolása
 
Ilyen esetekben jöhetnek szóba a kevert áramú hőcserélők (2.135. ábra (b)), amelyeknél a csőkígyó első szakaszán ellenáramlást, második szakaszán egyenáramlást alkalmaznak. Olyan megoldás is ismert, ahol mindkét szakaszon egyenáramú áramlást választanak, de a nagyobb gőzhőmérsékletű felületrész nagyobb füstgázhőmérséklettel találkozik (2.135. ábra (a)). A nagy teljesítményű erőművi kazánoknál (miután nagy hőmérséklet-növekedést kell elérni) a kevert áram helyett inkább a fűtőfelület több szakaszra osztását alkalmazzák, így vegyesen egyen- és ellenáramú fokozatok követhetik egymást.
 
2.135. ábra. Túlhevítők összetett füstgázoldali kapcsolása
 
A 2.136. ábrán vázolt toronykazán-kialakításnál a függesztőcsövek folytatásaként kialakított besugárzott túlhevítőt a túlhevítő és az újrahevítő egymásba épített (párhuzamosan elrendezett) kilépő fokozata követi, majd felváltva túlhevítő és újrahevítő fokozatok következnek, minden felület ellenáramú kialakításban. A kilépő fokozatok párhuzamos elrendezése több változatban, például az egyes csőkígyók felváltva történő elhelyezésével vagy középen a túlhevítő csőkígyók, kétoldalt az újrahevítő csőkígyók beépítésével megoldható. Más, kéthuzamú kazánoknál szokásos túlhevítő elrendezéseket a 2.52. ábra és a 2.53. ábra mutat.
A nagy teljesítményű, lignit- vagy kőszéntüzelésű toronykazán-kialakításoknál a kiegészítő felületek elrendezése tipizáltnak tekinthető. A kazángyártók gyakorlatilag azonos fűtőfelület kialakítást (függesztőcsövek, felülettípusok, csőosztás) alkalmaznak, melyet csak kismértékben befolyásol a berendezésben felhasznált szénfajta. A legelső, besugárzott túlhevítőnél (ez rendszerint egy közbenső fokozat) a csőosztás 800–1000 mm nagyságrendben van, amely füstgázirányban felfelé haladva többször feleződik a 100–150 mm nagyságrendű minimális csőosztásra. A csőelrendezés a kopás minimalizálására kezdetben soros, és rendszerint csak a tápvíz-előmelegítő fűtőfelületnél, az újrahevítő első fokozatánál alkalmaznak sakktáblás csőelrendezést. A fűtőfelületek nagyságának utólagos, kazán-üzembehelyezés utáni korrekcióját biztosítani kell, ezért mind a túlhevítőknél, mind az újrahevítőknél legalább egy fokozatot úgy alakítanak ki, hogy felületük az üzemi tapasztalatok alapján növelhető vagy csökkenthető legyen.
 
2.136. ábra. A túlhevítők elrendezése
 
Az 1000 MW-os BoA- (Betriebsoptimierte Anlagen) blokkoknál – mint a 2.137. ábra mutatja – a függesztőcsövek egybefogásából kialakított, ellenáramú besugárzott túlhevítőt három egyenáramú felület (TH2, TH5, UH3) követi [2.53].
 
2.137. ábra. 1000 MW-os BoA-kazán túlhevítő-elrendezése [2.53]
 
Ezekután egy úgynevezett triflux fűtőfelület következik, amelyet a hatásfok javítására, az újrahevítő- befecskendezés minimalizálása érdekében alkalmaznak. A triflux [2.104] felület (2.138. ábra) általában füstgáz-gőz, és ennek belsejében gőz-gőz hőcserélőt tartalmaz. Gőzkazánoknál rendszerint a füstgázzal érintkező újrahevítő I fokozat csöveinek belsejében van elhelyezve egy részárammal hűtött (I. vagy II. túlhevítő-fokozat utáni) túlhevítő fűtőfelület. Az ábra szerinti berendezésnél az újrahevítő felület ellenáramú, a túlhevítő felület egyenáramú kapcsolású, és az újrahevítő felület nagysága mintegy háromszorosa a túlhevítő felület nagyságának. Utóbbit a lerakódásokkal szennyezett külső csőfelületen kialakuló füstgáz-gőz hőátadásnál lényegesen jobb gőz-gőz hőátadás is indokolja.
 
2.138. ábra. Triflux fűtőfelület kialakítása
 
A 300–600 MW-os teljesítménytartományban, a Rajna-vidéki lignitekre szokásos túlhevítő/újrahevítő csőosztásokat a 2.10. táblázat mutatja. A legelső, legjobban széthúzott túlhevítő fűtőfelületek osztásának meghatározásánál gyakran a tűztér- (és ezzel a kazán-) magasságra kifejtett hatást is figyelembe veszik (olyan osztást választanak, amellyel a legoptimálisabb kazánméretek adódnak).
 
2.10. táblázat
Fűtőfelület
Lignittüzelés [2.89]
Keresztirányban
Hosszirányban
TH3
800
60
TH4
800
65
UH3
400
140
TH2
200
80
UH2
200
125
TH1
200
80
UH1
200
125
EKO
100
85
 
Az előbbi, legjobb hatásfokra tervezett sokfokozatú, drága túlhevítő elrendezést más felhasználók igyekeznek elkerülni (a hatásfok helyett a berendezés minimális beruházási költségét részesítik előnyben), és rendszerint csak háromfokozatú túlhevítést, kétfokozatú újrahevítést alkalmaznak. Egy ilyen, dél-afrikai kőszénre tervezett kazán fűtőfelület-kiosztását, a felfelé feleződő csőosztásokat a 2.11. táblázat mutatja [2.84]. Hasonló osztások – Schott-függönyöknél 610–1372 mm (24–54 inch), befüggesztett, konvektív felületeknél 229–610 mm (9–24 inch), vízszintes csőkötegeknél 114 mm (4,5 inch) – jellemzők a kéthuzamú kazánokra is a [2].
A toronykazán-kialakításoknál (például a 2.136. ábrán és a 2.137. ábrán bemutatott elrendezéseknél) a túlhevítő első fokozatát képező felfüggesztőcsövek ellenáramban, felülről lefelé vezetik a közeget. Ez normál üzemállapotban a kényszerített gőzáramlás miatt nem jelent gondot (a gőznél az esetleges egyenlőtlen fűtésből adódó kis sűrűségkülönbség mellett az áramlás nem fordul meg), de a kazánok esetleges nedves indításakor, a túlhevítők vízzel történő feltöltése esetén, a hűtés stabilitására (a 2.107. ábrán bemutatott, megfordulást előidéző feltételrendszer kialakulásának elkerülésére) intézkedések szükségesek.
 
2.11. táblázat [2.84]
Fűtőfelület
Belépő füstgázhőmérséklet
Áramlás jellege
Csőosztás keresztirányban
TH1
1180
Ellenáram
960
TH3
1077
Egyenáram
480
UH2
965
Egyenáram
240
TH2
846
Ellenáram
120
UH1
710
Ellenáram
120
EKO
479
Egyenáram
(bordás cső)
120
 
Az előbbi túlhevítő-kialakítási koncepciót követné a 700 °C gőzhőmérsékletre tervezett, kőszéntüzelésű kazánok túlhevítő-elrendezése is. A széles nemzetközi összefogással [2.85] végzett vizsgálatok részeként két – közepes (265 bar, 705 °C), nagy (365 bar, 705 °C) – nyomásra, egyszeres (720 °C), illetve nagy nyomású kivitelben kétszeres (720/720 °C) újrahevítéssel készítettek elő terveket. Közös jellemzőjük, hogy minden változat toronykazán-konstrukció, a tűzteret csavart kialakítással, a füstgázhuzamban a határolófelületet függőleges csövezéssel tervezték. A 2.139. ábrán vázolt, nagy nyomású, egyszeres újrahevítésű megoldásnál az indulásnál, leállításnál, részterhelésen kialakuló kétfázisú, elgőzölögtetéses üzemállapotban szükséges vízleválasztók, nívóedény a tűztér végéhez, a csavart fűtőfelületet követően vannak beépítve. Így az utóelgőzölgés, előtúlhevítés a kisebb hőterhelésű, függőlegesen felfelé átáramlott csövekben történhet. Az ekó és az újrahevítő első fokozatának egy része bordázott csövekből készülne. A felületek − a kilépő fokozatokat kivéve − ellenáramúak lennének.
 
2.139. ábra. Tanulmányterv 550 MW teljesítményű, nagy nyomású blokk gőzkazánjára
 
Fluidtüzelésű kazánoknál a túlhevítők a kevesebb szállóport tartalmazó gázárammal fűtött második huzamba (2.57. ábra, 2.58. ábra) vagy speciálisan a leválasztóciklonok falazatába, fluidágyba kerülnek beépítésre. A jelenleg ismert legnagyobb teljesítményű, a lengyelországi Łagisza-erőműben megépített 460 MW-os blokk a Foster-Wheeler Energia Oy által tervezett, 276 bar, 560 °C frissgőz, 54,8 bar, 580 °C újrahevített gőz paraméterű fluidágyas kazánjának túlhevítő-kialakítása is ezt az elrendezést követi [2.74, 2.115]. A nívóedényből a gőzt a tűztérmennyezetbe vezetik, majd a második, konvektív huzamban elhelyezett tartócsövek, ezt követően a második huzam határolófalai következnek. Ez összhangban van a hagyományos kazántervezésnél követett gyakorlattal: a hőtágulás-különbségek minimalizálására a tetőtúlhevítőket (lásd 2.53. ábrát is), függesztőcsöveket, határolófalakat a legalacsonyabb hőmérsékletű gőzzel kell hűteni.
Ezt követően az első TH-fokozat második huzamban elhelyezett konvektív csőkígyói következnek. A túlhevítő második fokozata „besugárzott” túlhevítőként a tűztér felső terében van, ahol a szilárd részecskék sűrűsége és aránya kisebb. A felület alsó élét erózió ellen gondosan védik. Miután a tűztér átlaghőmérséklete a hagyományos kazánokhoz képest lényegesen alacsonyabb, a sugárzásos hőfelvétel aránya is kisebb. A következő (a gyártó elnevezése szerint TH3) túlhevítő-fokozatot a tűztér és a második huzam közé, a kazán két oldalfala mentén beépített, 4-4 párhuzamosan kapcsolt ciklon membránfalas kialakítású határoló felületei alkotják. A hőveszteséget külső hőszigeteléssel akadályozzák meg. A túlhevítő kilépő (TH4) fokozatát a kazán egyik oldalán lévő fluidágyas (a fluidágyban elhelyezett csövekből kialakított) INTREX túlhevítő alkotja. A hőmérsékletet a végfokozat és a megelőző fokozat elé beépített, befecskendezéses szabályozással lehet beállítani.
Az újrahevítő első fokozata a második huzamban van elhelyezve, a második fokozatot a túlhevítő végfokozatához hasonlóan a kazán másik oldalán lévő INTREX fluidágyas hőcserélő képezi. Az újrahevített hőmérséklet szabályozása az első fokozat gőzoldali megkerülésével lehetséges, így nincs szükség vízbefecskendezésre.
 
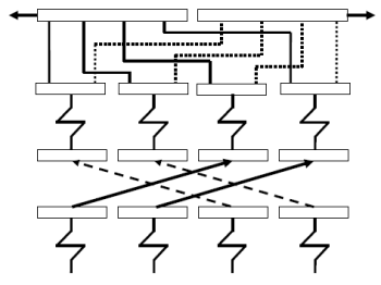
2.140. ábra. Túlhevítők keresztezése
 
A fűtőfelületek keresztezése: Mint a tűztérrel foglalkozó 2.2.2.2. fejezetben bemutattuk, a kazánok tűzterében, illetve a kilépésnél egyenlőtlen hőmérséklet-eloszlás alakulhat ki. Ebből adódóan az azonos keresztmetszetekben elhelyezett túlhevítő csövek eltérő hőmérsékletű közeggel érintkeznek, a bennük áramló gőzt eltérően melegítik fel. A csövekből kiáramló gőz a kilépőkamrákban ugyan keveredik, de a kamra hossztengelye mentén vagy a különböző kamrákban eltérő átlaghőmérséklet alakulhat ki. Az eltérés minimalizálására a gőzútvonalakat keresztezni kell.
Ennek megvalósítására a kazán szélességétől függően több gyakorlati megoldás alakult ki (2.140. ábra). A leggyakrabban, a kilépőkamrákból átkötő vezetékkel, a kazán másik oldalára vagy szélesebb kazánoknál a kazán szélső negyedéből a középső negyedébe vezetik át a gőzt. Több, úgynevezett átkötőcsővel (2.140. ábra (b)) megvalósított keresztezésnél elvileg egyenletesebb gőzoldali hőmérséklet- eloszlást lehet elérni, a gyakorlatban azonban – miután a füstgázoldali hőmérsékletprofil folyamatosan változhat – az egyes csősíkok, kilépőkamrák között mindig megfigyelhető a gőzhőmérséklet eltérése.
 
2.141. ábra. Azonos kilépő gőzhőmérséklet biztosítása
 
Annak érdekében, hogy a gőzturbinánál minimális legyen a két oldal közötti eltérés, gyakran a 2.141. ábrán látható átkötést is megvalósítják: minden kilépőkamrából vezetnek gőzt a főgőzvezetékek indítókamráiba.
 
A túlhevítők alátámasztása, felfüggesztése: A szerkezeti kialakításnak biztosítani kell, hogy a túlhevítő csövek a tervezés során meghatározott osztásokkal, rendezetten helyezkedjenek el. Ugyanis a csősorból kilógó csövek hőterhelése a tervezési állapothoz viszonyítva lényegesen megnőhet, ami a csövek helyi túlhevüléséhez, idő előtti meghibásodásához vezethet.
 
2.142. ábra. A túlhevítő csövek alátámasztása: a) a kimozdulás elkerülésére g csappal biztosítva, b) a függesztőcső egyik oldalán, soros csőosztással, c) a függesztőcső mindkét oldalán sakktáblás osztással, d) két függesztőcső között, rövid fülekkel
 
A rendezett csősorok kialakítására, a csövek alátámasztására a vízszintes csövekből álló csőkígyóknál a leggyakrabban a 2.142. ábrán vázolt függesztőcsövekre hegesztett támasztófüleket alkalmazzák. Ezek elhelyezhetők a függesztőcső egyik oldalán (soros csőosztás), mindkét oldalán (sakktáblás, soros csőosztás). A csövek a kerület és a hossz menti egyenlőtlen fűtés hatására gyakran deformálódnak, és több alátámasztás esetén némelyik alátámasztásból kiemelkedhetnek. Előbb-utóbb a cső kiugorhat a tartófülekből. Ennek megakadályozására megfelelő hézaggal gyakran egy csapot is hegesztenek a cső fölé (2.142. ábra) (a)). Ugyanakkor ez megnehezíti a cső esetleges javítását, gyors cseréjét. Miután a tartófülek teljes kerületük és oldalfalaik mentén fűtöttek, és csak a csőre hegesztett végükön hűtöttek, hőmérsékletük még a keresztmetszet optimális megválasztása esetén is 100–150 °C-kal nagyobb lehet a cső falhőmérsékleténél. Ezért − esetleges magas hőmérsékletű korrózió hatására − fogyásnak indulhatnak. Ennek elkerülésére a legkényesebb helyeken, két függesztőcső közötti, rövid fülekkel történő alátámasztást (2.142. ábra (d) célszerű választani.
 
2.143. ábra. A túlhevítő csövek alátámasztása, a csősorok összekapcsolása
 
A támasztófülek mellett alkalmazzák a bilinccsel történő megfogást, a csőívek alátámasztását. Előbbinél (2.143. ábra (a)) a túlhevítő cső megfelelő felfekvése, az esetleges rezgésből adódó kopások elkerülése érdekében bölcsőlemezt is hegesztenek a függesztőcsőre. A csőívek megtámasztása (2.142. ábra (b)) általában a határolófalakon történik, így egy vagy két függesztőcső-sor is elhagyható. Ilyen megoldásoknál a tartócsőre egy fület hegesztenek, és erre támaszkodik, elmozdulhatóan, a csőívre hegesztett fül. A csőfelületek rendezettségét a sűrűn egymás mellé helyezett csöveknél is biztosítani kell. Erre a 2.142. ábrán (c) vázolt, illetve más, hasonló, elmozdulást, elfordulást is megengedő kapcsolóelem, vagy a 2.143. ábrán (d) és a 2.143. ábrán (e) vázolt két összehegesztendő, csavarozandó félből álló hüvelyes kapcsolóelemek alkalmazhatók.
 
2.144. ábra. Vízszintesen vezetett túlhevítő csövek alátámasztása
 
Vízszintesen fektetett túlhevítő felületek alátámasztása (2.144. ábra) rendszerint a legalsó csősoron történik. Erre a többi csősor hézagmentesen vagy hézagosan támaszkodik. Utóbbinál a csősorok közé távtartó rudakat fektetnek vagy a felső csősorok az alsó csőre hegesztett bölcsőre támaszkodnak. Igényesebb konstrukcióknál a határolófalakra tartóbordákat hegesztenek, és az egyes csősorok ezeken fekszenek fel.
 
2.145. ábra. Függőlegesen vezetett túlhevítő csövek felfüggesztése
 
A függőleges túlhevítő felületeket a kazán tetősíkja feletti gerendákra függesztik fel. A gerendákról rugalmasan alátámasztott függesztőrudakat vezetnek a kazántérbe, és ezek végére kampóval (2.145. ábra) vagy átkarolással függesztik fel a csöveket. Több csősor esetén, a kopás megelőzésére, rendszerint távtartóval támasztják egymásra a csöveket. Ipari kazánoknál a felfüggesztés a membránfalon átdugott, kisebb felületeknél a be- és kilépőkamrákhoz kivezető, membránfalba (a 2.147. ábrához (c és d) hasonlóan) befogott túlhevítő csövekkel is történhet. A csövek rendezettségét a függőleges felületeknél is biztosítani kell. Ennek megoldása a felület nagyságától, a párhuzamosan kapcsolt csövek számától függ. A legegyszerűbb megoldás a 2.143. ábra (c) szerinti kapcsolóelemek alkalmazása.
 
2.146. ábra. Besugárzott túlhevítő csöveinek összefogása
 
Széles, sok csőből álló elemeknél, mint általában a besugárzott (Schott-) túlhevítők, a kapcsolóelemek mellett úgynevezett átfogócsöveket is alkalmaznak (2.146. ábra), amelyek a közöttük lévő csöveket mintegy összefogva minimalizálják azok deformációját. Ilyen „átfogó”-csövek konvektív függönyöknél is szokásosak, ezeknél rendszerint az alsó hajlításnál legbelül vezetett csövet nyújtják meg, és ez fogja körbe a többi csőkígyót.
 
Csövek átvezetése a membránfalon: A kazántest határolófalain belül elhelyezett fűtőfelületek a kívül lévő be- és kilépőkamrákhoz csatlakoznak. A csatlakozó csövek határolófalon történő átvezetését úgy kell kialakítani, hogy az biztosítsa a kazántest légtömörségét, se levegőbeszívásra, se füstgázkiáramlásra ne kerülhessen sor. Az átvezetések kialakításánál arra is figyelemmel kell lenni, hogy a határolófalak, függesztőcsövek hőtágulása eltérő, még az esetben is, ha sorrendben egymás után következő felületek (függesztőcső: tápvíz-előmelegítő kazándobba vezető csövei, határolófal: elgőzölögtető, vagy függesztőcső: túlhevítő első fokozata, határolófal: elgőzölögtető, illetve a 2.139. ábrán vázolt konstrukciónál függesztőcső: TH2 bevezető csövei, határolófal: elő-túlhevítő) alkotják őket. Ezért arra kell számítani, hogy az átvezetések hajlító igénybevételnek lesznek kitéve. Ezt figyelembe véve megbízhatóság szempontjából a rugalmasabb (2.147. ábra (b, c)) átvezetések kedvezőbbek. Az esetben, ha a függesztőcső faltól mért távolsága nagy, a túlhevítő cső kellően rugalmas, a 2.147. ábrán (a) vázolt, megfelelő szélességű vagy a csövek 2.147. ábra (d) szerinti széthúzásával kiszélesített gátlemezbe történő behegesztés is alkalmazható.
 
2.147. ábra. A csövek átvezetése a membránfalon
 
A régebbi falazott konstrukciókban a csőátvezetéseknél elmozdulást lehetővé tevő csőhüvelyeket alkalmaztak, a csöveket az átvezetéseknél rugalmas, hőálló (rendszerint azbeszt-) zsinórral is körbetekerték. A függesztőrudakat csuklósra készítették, a mennyezetbe befogott, merev részt tűzálló betonnal is körbeöntötték. Az arra akasztott – bármely irányban elmozdulni képes – tartórudak követhették az eltérő hőtágulás miatti alakváltozást. Meleg lemezes konstrukcióknál a függesztőrudaknál, átvezetéseknél a meleg lemezt körbehegesztették, a födémet esetleg tűzálló betonnal is kiöntötték.
 
A kamrák elrendezése: A füstgázjáratokban elhelyezett túlhevítő csőkígyókat az egyes felületek közötti átvezetés, átkeverés érdekében a kamrákhoz kell csatlakoztatni. Ennek a gyakorlatban számtalan megoldása alakult ki, ezek közül néhány alaptípus azonban kiemelhető:
  • Minden cső külön csatlakozik a kamrákhoz. Csak kevés csőnél vagy az összes cső csatlakoztatására alkalmas nagyobb átmérőjű kamráknál alkalmazható.
  • A kamrákhoz csatlakoztatandó csőszámot a csövek nadrágolásával csökkentik (például duplázás/felezés stb.)
  • A kamrákhoz kisebb átmérőjű segédkamrákat csatlakoztatnak, és a csöveket ezekhez csatlakoztatják.
 
Az egyes megoldások közötti választást egyrészt a költségek, másrészt az elérni kívánt gőzeloszlás biztosítása határozzák meg. Ma a költségek csökkentésére nagyobb kazánoknál elsősorban a csövek egyenkénti csatlakoztatását részesítik előnyben.
 
2.148. ábra. Túlhevítők gőzoldali kapcsolása
 
A túlhevítő csőrendszerek egyes csövein átáramló közegmennyiséget – és ezáltal a csövekből kilépő gőz hőmérsékletét – a csőkígyók ellenállása, hosszúsága, hőfelvétele mellett a be- és kilépőkamrák gőzoldali kapcsolása is befolyásolja. A kamrák csőcsatlakozásai alapján négy alapvető konstrukció alakult ki (2.148. ábra). Az ábrán is látható, hogy az elosztókamrákban a közeg fogyása, emiatti fokozatos lassulása következtében a statikus nyomás (p1) növekszik, míg a kilépő gyűjtőkamrákban a közeg csövekből történő fokozatos beáramlása miatti sebességnövekedés következtében a statikus nyomás (p2) csökken. A nyomásváltozás mértéke:
  • Az elosztókamrában az i-edik csőre számítva:
 
(2.134)
 
  • A gyűjtőkamrában az i-edik csőre számítva:
 
(2.135)
 
ahol
nyomásátalakulási szám az elosztókamrában az i-edik csőre ([2.65] alapján 0,6–0,7),
nyomásátalakulási szám a gyűjtőkamrában az i-edik csőre ([2.65] alapján 2,0-2,2),
a túlhevítőbe belépő gőz fajtérfogata [m3/kg],
a túlhevítőből kilépő gőz fajtérfogata [m3/kg],
tömegáram-sűrűség az elosztókamrában [kg/m2s],
tömegáram-sűrűség a gyűjtőkamrában [kg/m2s].
 
Egyenletes statikus nyomással csak a kamra hossztengelye menti áramlás elmaradása esetén (például közvetlenül a kazándobhoz csatlakozó túlhevítő csövek vagy nagyszámú, a kamra hossztengelye mentén csatlakozó bevezető-, illetve elvezetőcső) lehet számolni. Az egy oldalon csatlakozó csővezetékek esetén (U kapcsolás) a nyomásnövekedés és -csökkenés egymás ellen hat, míg ellenkező oldalon csatlakozó csővezetékek esetén (Z kapcsolás) a nyomásnövekedés és -csökkenés hatása összeadódik. Kikinis vizsgálatai [2.65] megerősítették, hogy Z kapcsolásnál a legutolsó csövön mindig nagyobb tömegáram áramlik, mint a legelsőn, illetve hogy U kapcsolásnál a két szélső cső tömegáramának aránya kisebb, egyenlő és nagyobb is lehet. Ebből következik, hogy a kapcsolás és a kamrák méretének megfelelő megválasztásával a gőz tömegáram-eloszlását a füstgázhőmérséklet lefutásához illeszteni és ezáltal az egyes csövekből kilépő gőzhőmérsékletek eltérését minimalizálni lehet. Erre mutat példát a 2.149. ábrán vázolt kialakítás, amelynél egyidejűleg U és Z kapcsolást is megvalósítottak. Ezáltal elérték, mint azt az ábrán feltüntetett tömegáram- eloszlás mutatja, hogy a határolófalaknál kisebb a tömegáram, mint a beljebb lévő csőkötegekben. Ugyanakkor az is megállapítható, hogy az adott elrendezés mellett a tömegáram-eloszlás nem szimmetrikus, inkább a Z, mint az U kapcsolás hatása érvényesül.
 
2.149. ábra. A túlhevítők gőzoldali kapcsolásának hatása a tömegáram eloszlására [2.109]
 
Áramlási és hőmérséklet-egyenlőtlenség: A túlhevítők különböző hosszúságú és fűtöttségű, párhuzamosan kapcsolt csőrendszereknek tekinthetők. Így az egyes csövekben eltérő gőzhőmérséklet alakulhat ki. A ténylegesen várható hőmérséklet-eloszlás meghatározásához az áramlási és hőátadási folyamatokat leíró alapegyenletekből lehet kiindulni:
  • Az átáramló gőzmennyiség az egyes csövek gőzáramának összegével azonos:
 
(2.136)
 
  • A nyomáskülönbség minden párhuzamosan kapcsolt csövön át azonos:
 
(2.137)
 
  • A felület hőfelvétele az egyes csövek hőfelvételének összegével azonos:
 
(2.138)
 
Az előbbi képletekben:
az átáramló gőzmennyiség tömegárama [kg/s],
az i-edik csövön átáramló gőzmennyiség tömegárama [kg/s],
a túlhevítő be- és kilépő keresztmetszete közötti nyomáskülönbség [N/m2],
a túlhevítő be- és kilépő keresztmetszete között, az i-edik csövön kialakuló nyomáskülönbség [N/m2],
a belépő keresztmetszetre vonatkoztatott átlagos veszteségtényező [2.106],
 
(2.139)
 
tömegáram-sűrűség az i-edik csőben [kg/m2s],
a gőz fajtérfogata (sűrűsége) a cső belépő keresztmetszetében [m3/kg],
a gőz sűrűsége (fajtérfogata) a cső kilépő keresztmetszetében [kg/m3],
geodetikus nyomáskülönbség az i-edik csőben [N/m2],
 
(2.140)
 
nyomásváltozás az elosztókamrában az i-edik csőre számítva [N/m2],
nyomásváltozás a gyűjtőkamrában az i-edik csőre számítva [N/m2],
belépési veszteségtényező ([2.65] alapján 1,1 ±20%),
kilépési veszteségtényező ([2.65] alapján 0,2 ±100%),
irányelterelési veszteségtényező,
csősúrlódási tényező,
az i-edik cső hossza [m],
az i-edik cső belső átmérője [m],
az i-edik cső két végpontja közötti geodetikus magasságkülönbség [m].
 
Az előbbi összefüggésekből álló (a gőz sűrűségének részben átlagértékekkel történő figyelembevétele miatt) közelítő egyenletrendszer csak többlépcsős iterációval oldható meg, ezért a gyakorlat számára egyszerűbb kifejezéseket is kidolgoztak [2.106].
 
Egyenlőtlenség azonos csőhosszúságnál: A csőrendszer átlagos nyomásveszteségét az elosztó- vagy a gyűjtőkamra felől felírva:
 
(2.141)
 
(2.142)
 
Bevezetve az elosztó- és a gyűjtőkamra – a kamrákban kialakuló nyomásváltozás és a csőrendszer átlagos (gyorsítási nyomásveszteséget is tartalmazó) áramlási nyomásvesztesége arányának négyzetgyökét kifejező – „egyenlőtlenségi” számát:
 
(2.143)
 
illetve
 
(2.144)
 
ahol
az elosztókamra egyenlőtlenségi száma,
a gyűjtőkamra egyenlőtlenségi száma,
az elosztókamrából kilépő csövek száma,
a gyűjtőkamrába belépő csövek száma,
az elosztókamrából kilépő cső keresztmetszete [m2],
a gyűjtőkamrába belépő cső keresztmetszete [m2],
az elosztókamra keresztmetszete [m2],
a gyűjtőkamra keresztmetszete [m2].
 
Az áramlás egyenlőtlenségének jellemzésére
  • az első és utolsó csőbeli áramlási sebesség különbségének az átlagos áramlási sebességhez viszonyított arányát kifejező átlagos egyenlőtlenségi fokot:
 
(2.145)
 
illetve
  • az átlagos áramlási sebesség és egy adott csőbeli áramlási sebesség különbségének az átlagos áramlási sebességhez viszonyított arányát kifejező helyi egyenlőtlenségi fokot:
 
(2.145/a)
 
lehet alkalmazni. A 2.148. ábrán vázolt túlhevítő-kapcsolásokra az előbbi egyenletek megoldása alapján számított sebességeloszlást és egyenlőtlenségi fokokat [2.106] alapján a 2.12. táblázat foglalja össze. A táblázatban a maximális egyenlőtlenség helye és az összefüggések érvényességi tartománya is szerepel.
Az áramlási egyenlőtlenségek mellett mindig jelentkezik fűtési egyenlőtlenség is. Ennek figyelembevételével meghatározható [2.106] a hőfelvétel egyenlőtlensége, amelyből a hőmérséklet egyenlőtlensége is kiszámítható:
 
(2.146)
 
ahol a fűtési egyenlőtlenség jellemzője, amely a vizsgált cső átlagos hőterhelése és a teljes csőrendszer átlagos hőterhelése különbségének a teljes csőrendszer átlagos hőterheléséhez viszonyított arányát fejezi ki.
 
2.12. táblázat [2.106]
 
Sebességeloszlás
 
Egyenlőtlenségi fok
 
Helyi egyenlőtlenségi fok
 
Axiális elosztó- kamra
Maximális egyenlőtlenség helye: . Az áramlás egyértelműségének feltétele:
Axiális gyűjtő- kamra
Maximális egyenlőtlenség helye: . Az áramlás egyértelműségének feltétele: –
U kapcsolás
Maximális egyenlőtlenség helye: . Az áramlás egyértelműségének feltétele:
Maximális egyenlőtlenség helye: –. Az áramlás egyértelműségének feltétele: –
Maximális egyenlőtlenség helye: . Az áramlás egyértelműségének feltétele: –
Z kapcsolás
Maximális egyenlőtlenség helye: . Az áramlás egyértelműségének feltétele:
Maximális egyenlőtlenség helye: . Az áramlás egyértelműségének feltétele:
Maximális egyenlőtlenség helye: . Az áramlás egyértelműségének feltétele:
 
A csőhosszúság hatása az egyenlőtlenségre: Hosszú, kis átmérőjű csövekből álló túlhevítőknél a csőrendszer ellenállása elsősorban a csőkígyók áramlási ellenállásától függ. Az egyéb veszteségeket, nyomásváltozásokat elhanyagolva az i-edik cső nyomásvesztesége:
 
(2.147)
 
A tömegáram-sűrűséget a tömegárammal helyettesítve és az állandókat összevonva:
 
(2.148)
 
Amennyiben a gőz fajtérfogatát a különböző hosszúságú csövek átlagértékével, az egyes csövek hosszúságát a cső sorszámával arányosan
 
(2.149)
 
vesszük figyelembe, a túlhevítő csöveken átáramló összes gőzmennyiség [2.107]:
 
(2.150)
 
Az egyenletből értéke meghatározható, és ezzel az egyes csöveken átáramló gőzmennyiség számítható:
 
(2.151)
 
Az egyes csövek hőfelvétele:
 
(2.152)
 
Ebből a tömegáram előbbi képletének behelyettesítése, az állandók összevonása után a hőmérséklet-változás kifejezhető:
 
(2.153)
 
illetve a sűrűség hatását elhanyagolva
 
(2.153/a)
 
2.150. ábra. A csőhosszúság hatása a gőzhőmérsékletre [2.107]
 
Egy tetszőleges cső és az átlagos cső hőmérséklet-növekedésének hatását felírva az állandó kiesik
 
(2.154)
 
illetve a sűrűség hatását is figyelembe véve
 
(2.154/a)
 
Miután a közepes felmelegedés a felület hőtechnikai számításából vagy üzemi mérésekből ismert, a csőhosszak és a csövek elhelyezkedésétől függő hőáramsűrűségek alapján az egyes csövekbeli hőmérséklet-növekedés is számítható.
Egy különböző hosszúságú csövekből álló – a 2.132. ábrán vázolt kialakítású – besugárzott túlhevítőre elvégzett vizsgálat [2.107] eredményét a 2.150. ábra mutatja. 120 °C átlagos felmelegedés mellett a legrövidebb csőnél csak mintegy 59,5 °C, a leghosszabb csőnél 169 °C hőmérséklet-növekedés adódott. A berendezésen elvégzett mérések során a legrövidebb csövön 400 °C, a leghosszabb csövön 595 °C falhőmérsékletet is mértek. Utóbbiban a fűtőfelület láng felőli oldalán elhelyezkedő leghosszabb cső átlagosnál nagyobb hőfelvétele is szerepet játszott. A számítások alapján a csövenként eltérő átlagos gőz-fajtérfogat elhanyagolása az adott esetben mintegy ±5% gőzhőmérséklet-eltérést okozott.
 
2.151. ábra. A túlhevítők gőzoldali kapcsolásának hatása a tömegáram eloszlására és a gőzhőmérsékletre [2.109]
 
Az eltérő hőfelvétel, kamrakialakítás hatása még közel azonos hosszúságú, közel azonos tömegáramú csöveknél is lényegesen eltérő kilépő hőmérsékletet eredményezhet. Erre mutat példát a 2.151. ábrán vázolt, hat párhuzamos, elő- (a gyakorlatban esetenként szivar-) kamrához csatlakozó csőre meghatározott, a mérési eredményekkel teljes összhangban lévő hőmérséklet-eloszlás [2.109].
 
A hegesztések hatása: Mint a 2.151. ábrán is látható, a túlhevítő csövek általában különböző anyagú, falvastagságú, (esetleg átmeneti darabokkal kiegyenlített) különböző átmérőjű csövekből készülnek. Emellett, az anyagveszteség minimalizálására, még azonos anyagminőség, méretek esetén is toldják a csöveket. A toldásra rendszerint automatikus tompahegesztéssel kerül sor. Nagyobb csőfalvastagság esetén csak akkor kapható megfelelő szilárdságú, megbízható kötés, ha az összehegesztendő csőszakaszokat nagy erővel nyomják össze. Ebben az esetben a kötésnél a cső kerületén és belső felületén is 1,5–4 mm magasságú, gyűrű alakú, esetenként szakállszerű kidudorodások jönnek létre, amelyek a hegesztések számától, elhelyezkedésétől függően csőkígyónként eltérő áramlásiellenállás-növekedést eredményezhetnek. A gyártási előírások (pl. [8]) alapján a kidudorodásokat tüskével vagy sűrített levegővel átlőtt, megfelelő méretű acélgolyóval még képlékeny állapotban csökkenteni kellene. Erre a gyakorlatban − az esetenkénti nagyszámú hajlítás miatt − azonban csak korlátozottan van lehetőség. Így a gőzhőmérséklet-egyenlőtlenség számításánál a hegesztések hatását is indokolt megvizsgálni. A különféle tompahegesztések veszteségtényezője:
  • azonos átmérőjű csövek kötéseinél
 
(2.155)
 
  • különböző átmérőjű csövek kötéseinél
 
(2.155/a)
 
képletekkel számítható [2.108]. Az előbbi összefüggésekben:
a cső belső átmérője [mm],
az áramlási irányban az első (hegesztés előtti) cső belső átmérője [mm],
az áramlási irányban a második (hegesztés utáni) cső belső átmérője [mm],
a gyűrű alakú kitüremkedés vállmagassága [mm].
 
A tömegáram-eloszlás, esetleges hőmérséklet-eltérés meghatározására, a veszteségtényezők összegéből egyenértékű járulékos csőhosszúságot számítva, az eltérő csőhosszúságra vonatkozó előbbi összefüggések alapján kerülhet sor. Egy 50,1 m hosszú, 7 darab különböző falvastagságú csőből összeállított, közel 7 bar nyomásveszteségű csőkígyónál a szakaszonkénti egy-egy darab további tompahegesztés mintegy ±5% közegáram-eltérést eredményezne [2.108].
 
Csőméretezés, anyagminőség: A túlhevítők – mint a gőzkazánok legnagyobb hőmérsékleten üzemelő szerkezeti elemei – anyagminőségének, méreteinek meghatározása különös figyelmet kíván. Ennek alapvető oka, hogy a tartósan nagy hőmérsékleten üzemelő anyagoknál a szerkezeti anyag hőmérsékletétől függő sebességgel kúszás, szövetszerkezeti átalakulás, gőz- és füstgázoldali korrózió is jelentkezik. Így a gőzhőmérsékletben, hőáramlásban megjelenő kis eltérések is gyors meghibásodásra vezethetnek. Ezért a tervezés során a gyakorlatban várható üzemviszonyok lehető legjobb közelítésére kell törekedni, és a fűtőfelületeket ezek együttes hatásának figyelembevételével kell az elvárt élettartamra méretezni. A szerkezeti anyagok viselkedését és a méretezést részletesen a 7. fejezetben ismertetjük, itt csak a felületek kialakítása szempontjából legfontosabb ismereteket foglaljuk össze.
A túlhevítőknél leggyakrabban alkalmazott henger alakú szerkezeti elemeknél (csöveknél, kamráknál) a falvastagság az úgynevezett kazán-formulából számítható:
 
(2.1/a)
 
ahol
a cső külső átmérője [mm],
belső nyomás [N/mm2],
szilárdsági jellemző [N/mm2], a hőmérséklettől függően a meleg folyáshatár, időtartam-szilárdság1
biztonsági tényező a szilárdsági jellemzőtől függően,
gyengítési tényező,
a csőhajlítás miatti falelvékonyodását figyelembe vevő korrekciós tényező,
falvastagságpótlék [mm], a cső gyártási tűrésére, várható kopására, korróziójára tekintettel figyelembe vett korrekciós tényező.
 
A szilárdsági jellemzőt a csőfal várható hőmérséklete alapján kell figyelembe venni. A várható falhőmérséklet meghatározása a közeghőmérsékletből () kiindulva történik, megnövelve az áramlási, hőátadási egyenlőtlenségből adódó esetleges () többlethőmérséklettel, a belső hőátadás miatti, illetve a cső belső felső felületén képződött oxidréteg vagy lerakódás miatti () hőmérséklet-növekedéssel, valamint a csőfalban létrejövő hőmérséklet-növekedéssel:
 
(2.76/a)
 
Az áramlási, hőátadási egyenlőtlenségből adódó () hőmérséklet-eltérés ((2.146), (2.154/a), illetve a 2.11. táblázatban megadott képletek vagy az adott csőelrendezés, kamrakialakítás, hőfelvétel, eloszlás alapján összeállított modell szerinti) számításánál figyelembe kell venni a füstgázoldali tömegáram-eloszlás, hőmérséklet, hőátadási tényező, elpiszkolódás átlagtól eltérő hatását, a cső esetleges kilógását, illetve a gőzoldali tömegáram-eloszlás közeghőmérsékletre gyakorolt hatását. Esetenként a vonatkozó szabályzatok (pl. [8]) alapján a részletes elemzések helyett úgynevezett hőmérsékletpótlékot (besugárzott túlhevítőknél hőmérséklet-szabályozás előtt 75 °C, után 50 °C, konvektív túlhevítőknél hőmérséklet-szabályozás előtt 50 °C, után 35 °C) vesznek figyelembe. Az előbbi pótlékok nagysága az átlagostól eltérő (például a 2.150. ábrán bemutatott) esetekben azonban elégtelen lehet.
A kazánformulát a belső átmérővel is felírva, valamint a falvastagságpótlékokat elhanyagolva és a gyengítési tényezőt, varratmentes csőanyagok használatát feltételezve 1,0 értékre felvéve, felírható a cső külső és belső átmérőjének aránya:
 
(2.156)
 
Az összefüggésből az anyagminőség, méretezési nyomás és hőmérséklet figyelembevételével kiszámítható az átmérők aránya, majd a cső falvastagságának felvételével meghatározható a külső csőátmérő (2.152. ábra).
A csőátmérő megválasztásánál figyelembe kell venni, hogy a csőben a falhőmérséklet alacsonyabb értéken tartásához kellő nagyságú gőzsebesség alakuljon ki (12–25 m/s, a nagyobb értékek választása a nagyobb hőterhelésű, elsősorban besugárzott túlhevítőknél célszerű), ugyanakkor a nyomásveszteség még elfogadható mértékű legyen. A kazánformulából egyértelmű, és a 2.152. ábrából számszerűen is látható, hogy nagyobb csőátmérőhöz nagyobb falvastagság szükséges. A leggyakrabban alkalmazott külső csőátmérők: 31,8, 33,7, 38,0, 42,4, 44,5, 48,3 (esetleg 51) mm, falvastagságok: 3,2, 3,6, 4,0, 4,5, 5, 5,6, 6,3, 7,1, 8,0, 8,8 (fluidtüzelésű kazánoknál akár 10,0, 12,5) mm.
 
2.152. ábra. A csőátmérő meghatározása az anyagminőség, a méretezési hőmérséklet, a méretezési nyomás, a falvastagság figyelembevételével
 
Kellő falvastagságot választva a csőfal valószínűsíthetően elviseli majd a várható igénybevételeket. Így a berendezés méretei − elvileg − az elvárt működési élettartam figyelembevételével tervezhetők. Nyilvánvaló, hogy a csőátmérő és a falvastagság növelése egy adott szerkezeti anyag esetén a berendezés méreteinek, tömegének, ezzel előállítási költségének növelésével jár együtt, másképp fogalmazva: a biztonságos működést a beruházási költségek növelésével kell megfizetni. Kisebb csőátmérő esetén növelni kell a párhuzamosan kapcsolt csövek számát, ami ugyancsak a gyártási költségek növekedésével jár együtt. Gyengébb (olcsóbb) szerkezeti anyagokat alkalmazva nagyobb falvastagság adódik, esetleg olyan mértékű méretnövelést igényelve, amely a gyakorlatban gyártási, kivitelezési nehézséget okoz vagy megvalósíthatatlan.
Miután a túlhevítő csövekben a gőz fokozatosan melegszik fel, nem szükséges a teljes felületet azonos anyagminőségből, azonos falvastagsággal készíteni. A hőmérséklet növekedésével először azonos anyagminőség mellett növelik a falvastagságot, majd javítják az anyagminőséget (2.151. ábra, 2.15. táblázat, esetleg a falvastagság egyidejű csökkentésével). Esetenként a csőátmérőt is csökkentik. A nem fűtött, így kisebb falhőmérsékletű kamrákba bekötő csőszakaszok kisebb falvastagsággal készülhetnek. A legkisebb szokásos falvastagság általában 3 mm [8], a legnagyobb, fűtött szakaszokon 8,8 mm. Az anyagminőség-váltásnál figyelembe kell venni az eltérő hőtágulásból adódó járulékos feszültségeket is (7.2.3.2. fejezet).
A falvastagság növelésének a gyártási nehézségeken, a kazán tömegének, árának növelésén túlmenően további korlátjai is vannak. Az előző, (2.76/a) képletből is látható volt, hogy a falvastagság növelésével a csőfalbeli hőmérséklet-növekedés is növekszik. Ez a szilárdsági jellemző csökkenésére, falvastagság növelési igényre vezet (mintegy öngerjesztő folyamat). Ennél nagyobb gondot jelent azonban, hogy a berendezések terhelésének változtatásánál a hengeres övek külső és belső felületének hőmérséklete eltérő sebességgel változik, közöttük jelentős hőmérséklet-különbség alakulhat ki, amelynek ismétlődése a szerkezeti elem falában kis ciklusú kifáradást, a feszültséggyűjtő helyeken a jelenség gyakori előfordulása esetén – különösen a nagyobb falvastagságú kamráknál – repedéseket idézhet elő (részletesen lásd a 7.2.2. fejezetben). A hengeres övben ébredő hőfeszültség, kvázistacionárius állapotban, a (°C/min) hőmérséklet-változási sebességből kiindulva:
 
(2.157)
 
ahol
rugalmassági modulus [N/mm2] (minden anyagjellemzőt a közepes hőmérsékleten kell figyelembe venni),
lineáris hőtágulási együttható [1/°C],
a szerkezeti anyag hővezetési tényezője [W/mK],
a szerkezeti anyag sűrűsége [kg/m3],
a szerkezeti anyag fajhője [kJ/kgK],
Poisson-szám,
a szerkezeti elem kialakításától függő formatényező (7.16. táblázat alapján, a belső vagy külső alkotóra számítva).
 
Megfigyelhető, hogy a falvastagság növekedésével a hőfeszültség négyzetesen nő, így az optimális (gyakorlatban megvalósítható) üzemeltetés érdekében a falvastagságot a lehető legkisebb értékre kell választani, amely nyilvánvalóan jobb minőségű, drágább szerkezeti anyagokat igényel. Erre tekintettel az anyaggyártók, kazánkonstruktőrök kezdetektől fogva törekedtek az anyagminőség ötvözéssel történő javítására, amely jobb szilárdsági jellemzőt eredményezve lehetővé teszi a falvastagság csökkentését. Miután az ötvözött acélok ára az ötvözéssel növekszik, kialakultak azok az acélféleségek, amelyek a különféle hőmérséklet-tartományokban a legkedvezőbb szerkezeti kialakítást tették lehetővé. A hagyományosan – 1930-as évet követően 15 Mo 3, 13 CrMo 4 4, illetve a 40-es éveket követően 10 CrMo 9 10 – alkalmazott, ferrit-perlites acélok összetétele az 5. függelékben található meg.
A túlhevítő-anyagoknál a nagy hőmérsékleten megkívánt, elfogadható falvastagságot eredményező tartamszilárdság mellett, a füstgáz- és a vízgőzoldali korróziónak való ellenálló képességet is biztosítani kell. Ennek érdekében az előzőekben említett ferrit-perlites szerkezeti anyagok mellett már a II. világháborút követően is alkalmaztak túlhevítőknél, újrahevítőknél ausztenites szerkezeti anyagokat, kifejlesztésre került (a 70-es években [2.110]) az X 20CrMoV 12 1 jelű, nagyobb krómtartalmú, martenzites acéltípus, amellyel az 550 °C körüli gőzhőmérsékletű berendezések megbízhatóan tervezhetők, üzemeltethetők voltak.
A 80-as évek végén célként jelölték meg a 600 °C-os közeghőmérséklet biztonságos elérését. (Az 50-es, 60-as években is készültek berendezések a 600 °C-ot megközelítő gőzhőmérsékletre ausztenites szerkezeti anyagokkal, ezek azonban a gyakorlatban nem váltották be a reményeket, a berendezések a valóságban a névleges alatti gőzparaméterekkel üzemeltek.) Az új acéltípusok fejlesztésére irányuló törekvések az Egyesült Államokból és Japánból indultak ki, az első eredmények a P 91 típusjelű acélról számoltak be. Ezen acéltípust a 90-es években végrehajtott rekonstrukcióknál Európában is alkalmazták.
A tapasztalatok alapján Európában is fejlesztéseket indítottak hasonló vagy kedvezőbb tulajdonságú acéltípusok előállítására [2.110, 2.111, 2.112, 2.113, 2.78]. Üzemelő berendezésekbe teszt fűtőfelületeket építettek be, elvégezték a szerkezeti elemek tartós, üzemi körülmények között történő vizsgálatát is. E kutatások eredményeként több, a gyakorlatban várhatóan megbízhatóan alkalmazható acéltípust fejlesztettek ki. Az EN 12952-2 szabvány szerint szóba jöhető csőanyagokra a 2.13. táblázatban összefoglalt méretezési hőmérsékletek vehetők figyelembe (a tartamszilárdsági jellemzőket a hőmérséklet függvényében a 7.1. fejezet és az 5. függelék ismerteti).
 
2.13. táblázat
X20CrMoV11-1
600 °C
X3CrNiMoN17-13 (SB)
615 °C
S 304H (SB)
645 °C
HR3C
670 °C
Sanicro 25
700 °C
Alloy 617
770 °C
Alloy 263
770 °C
 
A kamra- és csővezeték-anyagoknál füstgázoldali korrózióval nem kell számolni, így kiválasztásuknál a tartamszilárdság és a gőzoldali oxidációnak való ellenálló képesség a legfontosabb szempontok. A szóba jöhető tervezési hőmérsékleteket a 2.14. táblázat mutatja.
 
2.14. táblázat
X20CrMoV11-1
580 °C
P 91
600 °C
E 911, P 92
625 (UH: 635) °C
VM 12 (vizsgálat alatt)
625 °C
Alloy 617
735 °C
Alloy 263
735 °C
 
A 2.139. ábrán vázolt kazán [2.85], túlhevítő csöveinek és kamráinak tervezett anyagminőségét a 2.15. táblázat mutatja. Jól megfigyelhető az optimális anyagválasztás, a TH3 és UH1 felületeknél a növekvő hőmérséklettel javuló anyagminőség.
 
2.15. táblázat
Felület
Anyagminőség
Belépőkamra
Kilépőkamra
Cső
Arány a teljes csőhosszhoz
TH2,
Függesztőcsövek, Schott
P 92
Alloy 617 m
Sanicro 25
 
TH4
Alloy 617 m
Alloy 263
Alloy 740
1/1
UH2
Alloy 617 m
Alloy 617 m
Alloy 617 m
1/1
TH3
Alloy 617 m
Alloy 617 m
HR3C
1/8
Sanicro 25
3/8
Alloy 617 m
4/8
UH1
13CrMo4-5
Alloy 617 m
10CrMo9-10
1/6
T91
1/6
S 304 B SB
2/6
HR3C
1/6
Alloy 617 m
1/6
 
Fluidtüzelésű kazánoknál a kisebb átlagos hőterhelésből, a hőfelvétel egyenletesebb eloszlásából adódóan [2.74] kisebb csőfalhőmérséklettel lehet számolni, ezért olcsóbb csőanyagok (2.16. táblázat) alkalmazhatók (csak az INTREX hőcserélőknél kell Ni-bázisú anyagot alkalmazni).
 
2.16. táblázat
Hőcserélő
Csőanyag
Kamraanyag
Túlhevítők, újrahevítők
13CrMo4-5
7CrMoVTiB10-10
X20CrMoV11-1
TP 347H FG (INTREX)
13CrMo4-5
X10CrMoVNb9-1
X11CrMoWVNb9-1-1
 
A túlhevítők viselkedése a kazánterhelés függvényében: A fűtőfelületeket úgy kell kialakítani, hogy változó tüzelőanyag-minőség, kazánterhelés esetén is biztosítani tudják az elvárt gőzparamétereket. Ehhez ismerni kell a felületek fajlagos hőfelvételének változását az előbbi paraméterek függvényében. Mint a 2.153. ábra (egy 440 MW névleges teljesítményű, lignittüzelésű blokk kazánjára elvégzett számítások alapján) mutatja, a tűztérkilépő hőmérséklet csökken a kazánterheléssel. Ennek ellenére (2.154. ábra) a tűztérben leadott hőmennyiség aránya a terhelés csökkenésével növekszik. Ebből az következik, hogy a gőzfejlődés aránya a tűzteret követő kiegészítő fűtőfelületek (így a túlhevítők) hőfelvételéhez képest megnövekszik.
 
2.153. ábra. A tűztérkilépő hőmérséklet és a sugárzásos hőáram változása a kazánterhelés függvényében
 
A túlhevítőkön belül azonban a besugárzott és a konvektív felületek ellentétesen viselkednek. Előbbiek a tűztér határolófelületének részeként csökkenő teljesítménnyel relatíve nagyobb hőmennyiséget vesznek fel, így a besugárzott túlhevítőkben a fajlagos hőfelvétel (és ezáltal a gőz hőmérséklet-növekedése) növekszik.
 
2.154. ábra. A tűztérben leadott hőmennyiség aránya a kazánterhelés és a fűtőérték függvényében
 
Ezt jól mutatja a 2.153. ábrán vázolt (tűztérkilépő keresztmetszetére számított) sugárzásos hőáram változása is: miközben a kazánteljesítmény (gőzáram) 40%-ra csökken, a sugárzásos hőáram csak a névleges teljesítményhez tartozó érték mintegy kétharmadára. A besugárzott túlhevítőkkel szemben a konvektív fűtőfelületek relatív hőfelvétele a kazánteljesítmény csökkenésével csökken (2.155. ábra), így e felületekben a közeg felmelegedése is kisebb lesz. Az előbbieket figyelembe véve, a gőzhőmérséklet állandóságának biztosítására a legkedvezőbb megoldást az optimális méretű besugárzott és konvektív túlhevítők sorba kapcsolása jelentené. A 2.155. ábrán vázolt esetben a két túlhevítő-típus kazánteljesítménnyel erősen változó túlhevítése ellenére az eredő jelleggörbe közel állandó gőzhőmérsékletet eredményez. A gyakorlatban a teljes kiegyenlítést nem lehet elérni, mivel a túlhevítők relatív hőfelvételét a kazán teljesítménye mellett más paraméterek (a tűztérben, illetve a túlhevítő felületeken végbemenő hőátadási folyamatokat befolyásoló jellemzők, mint például a láng hőmérsékletére, a füstgáz mennyiségére, a felületek elpiszkolódására kiható körülmények) is befolyásolják:
  • A fűtőérték romlása csökkenti a tűztérben leadott relatív hőmennyiséget, ezzel a gőztermelést, így növeli a konvektív túlhevítők relatív hőfelvételét.
  • Hasonló hatása van a tápvíz-hőmérséklet csökkentésének is, hidegebb tápvízből azonos hőbevezetés mellett kevesebb gőz keletkezik, így a konvektív túlhevítőkön a gőz felmelegedése megnő.
  • A kazánnyomás csökkentése a párolgáshő növekedése miatt csökkenti a gőztermelést, így a túlhevítés mértéke megnő, amit még az is elősegít, hogy a nyomás csökkenésével lecsökken a gőz fajhője is.
Összesítve minden olyan változás, ami növeli a gőzfejlődést, csökkenti a túlhevítési hőmérsékletet és viszont.
 
2.155. ábra. Túlhevítő-jelleggörbék
 
Átmeneti állapotokban a hőmérséklet alakulására a kazán tárolóképessége is hatással van. Ez részben elősegíti a mennyiségi változások gyors követését, részben csökkenti azok hőmérsékletre gyakorolt hatását. Gyors gőzelvétel-növelés esetén azonban mindig a gőzhőmérséklet letörésével kell számolni, míg igénycsökkenés esetén a hőmérséklet növekedése várható.
Ezért mindig indokolt hőmérséklet-szabályozás kialakítása. Hiányában a gőzhőmérséklet az igényelt gőzmennyiségtől, rendelkezésre álló tüzelőanyag-minőségtől, a tápvíz-hőmérséklet nagyságától, a tüzelőberendezés beállításától, a kazán elpiszkolódásától és egyéb feltételektől függően változna, ami csak alárendeltebb célokra történő gőzfelhasználás esetén lenne elfogadható.
 
A túlhevítési hőmérséklet szabályozása: A hőmérséklet-szabályozás célja egyrészt a túlhevítő felületek túlhevülésének megakadályozása (a lehető leghosszabb élettartam elérésére), másrészt a kazán által szolgáltatott gőz hőmérsékletének előírt határértékeken (állandósult állapotban ±4 °C, változó üzemállapotban +5, –10 °C [1]) belüli állandóságának biztosítása, lehetőleg a kazán hatásfokának, üzemi tulajdonságainak, élettartamának rontása nélkül. Emellett egyszerűnek, üzembiztosnak, a szabályozónak a szabályozott körrel optimálisan összehangolhatónak kell lenni.
A gyakorlatban kétféle elvet alkalmaznak: a hőfelvétel, illetve a gőzhőmérséklet befolyásolását. Az első csoportba a füstgázoldali szabályozások, a második csoportba a gőzoldali szabályozások tartoznak, megemlítve, hogy a gőzhőmérséklet befolyásolásának mindig van hatása a hőfelvétel nagyságára is.
 
Füstgázoldali szabályozások
  • Az égők billentése (2.156. ábra (a)): A rendszerint tangenciális saroktüzeléseknél alkalmazott égőbillentéssel a lángmag a tűztérben lejjebb tolható vagy feljebb emelhető. Alsó állás esetén megnő a tűztérben lesugárzott hőmennyiség, több gőz fejlődik, így csökkenthető a túlhevítési hőmérséklet. Felső állás esetén lecsökken a gőzfejlődés, megnő a tűztérkilépő hőmérséklet, növelhető a túlhevítési hőmérséklet. A lángmag helyzete a tűztér, a besugárzott túlhevítő elsalakosodását is befolyásolhatja, így billenthető égők alkalmazása esetén a szokásosnál nagyobb tűzterek kialakítása célszerű. Megvalósítása, üzemeltetése magasabb gyártási, üzemeltetési színvonalat kíván, ezért Európán kívül alig alkalmazzák.
  • Különböző magasságban elhelyezett égők ki-bekapcsolása (2.156/b): Fronttüzelésnél, boxer égőelrendezésnél részterhelésen az alsóbb égők, égősorok leszabályozhatók, kikapcsolhatók, így a tűztérben leadott hőmennyiség, gőzfejlődés csökkenthető. Ezáltal növelhető a tűztérkilépő és a túlhevítési hőmérséklet is. A felsőbb égők leszabályozásával, kikapcsolásával ellentétes hatást, a túlhevítési hőmérséklet csökkentését lehet elérni. Kőszéntüzelésű kazánoknál széleskörűen alkalmazott megoldás.
 
2.156. ábra. Füstgázoldali hőmérséklet-szabályozási módszerek
 
A lángmag eltolásának hatására kialakuló tűztérkilépő hőmérséklet változását különböző kazánteljesítményekre (a már hivatkozott 440 MW névleges teljesítményű, lignittüzelésű blokk kazánjára elvégzett számítások alapján) a 2.157. ábra mutatja. Megfigyelhető, hogy 80% kazánteljesítménynél a tűztérkilépő hőmérséklet a lángmag ~4 m-rel történő megemelésével a névleges terhelésen kiadódó átlagos kilépő hőmérséklet közelébe növelhető. Kisebb részterheléseken a kilépő hőmérséklet a lángmag megemelése esetén már elmarad a névleges értéktől, de a gőzfejlődés csökkentésére és a túlhevítési hőmérséklet növelésére kifejtett hatás egyértelműen kedvező.
 
2.157. ábra. A tűztérkilépő hőmérséklet változása a lángmag helyzete és a kazánteljesítmény függvényében
 
  • Párhuzamos, megkerülő járatok kialakítása (2.158. ábra): A túlhevítő füstgázoldali megkerülésével csökken a füstgázoldali hőátadási tényező és a logaritmikus hőmérséklet-különbség, így a túlhevítési hőmérséklet. A kerülő füstgázjáraton elvezetett füstgáz mennyiségének csökkentésével a túlhevítési hőmérséklet növelhető. A járatokon átáramló füstgáz mennyiségének beállítása torlasztó csappantyúkkal történik (2.6. ábra). A kerülő (párhuzamos) járatba beépített elgőzölögtető, tápvíz-előmelegítő fűtőfelületekkel a szabályozás hatékonysága javítható, hiszen a túlhevítő hőfelvételének csökkentésével egyidejűleg növeli a gőzfejlődést, vagy fordítva: a túlhevítőn átáramló füstgázhányad növelésével növeli annak hőfelvételét, miközben a párhuzamos járatbeli hőfelvétel csökkenésével a gőzfejlődés csökken. A legrégebben alkalmazott megoldás, ma is alkalmazzák, Európán kívül még a kéthuzamú nagy teljesítményű kazánoknál is [2].
 
2.158. ábra. Megkerülő járatok
 
  • Füstgáz-recirkuláció alkalmazása: A léghevítő elől vagy után elszívott füstgázt a kazán tűzterének aljára vagy közvetlenül a tűztérkilépő keresztmetszete előtt egyenletesen elosztva vezetnek vissza. A hidegebb füstgáz hatása kettős: egyrészt csökkenti az átlagos hőmérséklet-különbséget, másrészt növeli a füstgázsebességet, így a konvektív hőátadási tényezőt. A tűztér aljára visszavezetve csökkenti az elgőzölögtetés arányát, mindkét esetben mérsékli az elsalakosodást. A tűztér aljára történő visszavezetés esetén javulhat a kazánhatásfok, mivel a visszavezetett füstgázban lévő oxigéntartalom miatt csökkenthető az égési levegő mennyisége. (Ennek részleteit és a recirkuláció hatásának általános elemzését az 5. fejezet tárgyalja.) Az elgőzölgés arányának csökkentésével a túlhevítési hőmérséklet növelhető. Ugyanakkor a recirkuláció technikai megvalósítása (visszaszívó ventilátor, hőszigetelt füstgázcsatornák, befúvónyílások, szabályozó csappantyúk stb.) jelentős költségekkel jár és energiafelhasználása rontja a kazán hatásfokát. A recirkuláció maximális mennyisége a 30%-ot általában nem haladja meg.
 
2.159. ábra. A relatív hőfelvételek változása a recirkuláció függvényében
 
A recirkulációs szabályozás hatását a Bánhidai Erőmű már leállított, 320 t/h teljesítményű, 136 bar/570 °C frissgőz paraméterekkel tervezett kazánjára, a tűztér aljára történő visszavezetést feltételezve elvégzett számítások alapján a 2.159. ábra [2.114] mutatja. Az ábrából megállapítható, hogy a kazánteljesítmény csökkenése ellenére a recirkuláció növelésével a tűztérben leadott hőmennyiség aránya nem nő (mint az recirkuláció nélkül a 2.154. ábrán bemutatott módon bekövetkezne), hanem csökken. A tápvíz-előmelegítő, mint konvektív fűtőfelület, relatív hőfelvétele növekszik, így részben kompenzálja az elgőzölögtető csökkenő hőfelvételét. A besugárzott túlhevítők relatív hőfelvétele kismértékben csökken, a konvektív túlhevítőké nő. Hasonlóan kismértékben növekszik az újrahevítők relatív hőfelvétele is. Az eredményekből egyértelmű, hogy a füstgáz-recirkuláció alkalmas a hőmérséklet szabályozására. Ugyanakkor mértékének megállapításakor nagyon gondosan kell eljárni, mivel a tápvíz-előmelegítő a hőfelvétel növekedésével elgőzölögtetővé válhat, a túlhevítőkben, újrahevítőben pedig a bemutatott példában növelni kellett a befecskendezett víz mennyiségét.
  • Kettős tűztér alkalmazása: A régebbi kazánkonstrukcióknál alkalmazott megoldásnál a két tűztér sorba kapcsolva működött, a homlokfalhoz közelebbi tűztérből a füstgázok a második, hátsó tűztéren keresztül áramolva jutottak a konvektív huzamba. A besugárzott túlhevítőt a második tűztérhez illesztették. Így ezzel a megoldással az első tűztér visszaterhelésével, kikapcsolásával a gőzfejlődés lényegesen csökkenhetett, miközben a konvektív huzamba belépő füstgáz hőmérséklete csaknem állandó volt, csak a füstgázmennyiség változott a kazánterhelésnek megfelelően. Ennek következtében a túlhevítők relatív hőfelvételének változása lényegesen kisebb volt, mint a hagyományos megoldásoknál.
 
Gőzoldali szabályozások: A névleges hőmérséklet eléréséhez szükségesnél nagyobb fűtőfelület beépítésével és a gőz kilépő- vagy közbenső fokozatok előtti visszahűtésével a kilépő gőzhőmérséklet az előírt értéken tartható, és megakadályozható, hogy az adott túlhevítő felület falhőmérséklete meghaladja a tervezett értéket. A túlhevítők felületének túlméretezése azt eredményezi, hogy a felület részben elgőzölögtetőként működik. Az „elgőzölögtetés” mértéke a kazánteljesítménnyel csökken. A felületeket úgy méretezik, hogy a megrendelő igényeitől függően, de gyakran már 60–75% teljesítmény alatt ne legyen szükség visszahűtésre. Így kisebb teljesítményeknél a kilépő gőzhőmérséklet csökkenhet.
 
2.160. ábra. Hőmérséklet-növekedés a túlhevítő-fokozatokban
 
Néhány kazángyártó a túlhevítők jelentős túlméretezésével elgőzölögtető felületeket helyettesít. Nyilvánvaló, hogy ez jelentős költségnövekedést eredményezhet, miután az ötvözött anyagokból készülő túlhevítők fajlagosan jóval drágábbak az elgőzölögtető felületeknél. Erre a gyakorlatra az egyik hazai berendezés esetében − amelynél a TH3 túlhevítő-fokozat gyakorlatilag elgőzölögtetőként működik − a blokkteljesítmény függvényében a 2.160. ábra mutat példát.
A visszahűtésre alkalmazott megoldások:
  • Felületi gőzhűtők: A túlhevített gőz egészének vagy részáramának visszahűtése felületi hőcserélőn keresztül történik. Több gyakorlati megoldása ismert.
    • Kazándobban elhelyezett hőcserélő, amellyel a gőz részáramát lehűtik (2.161. ábra (a)). A lehűtött gőzt visszakeverik a főáramba. Szabályozása a részáram és a főáram arányának változtatásával történik.
    • Tápvízzel hűtött külön hőcserélő (2.161. ábra (b)). Az első túlhevítő-fokozat után kivezetett, kerülőágban visszahűtött gőzt rendszerint a végfokozat elé vezetik be. Szabályozása a kerülőágba beépített hőcserélőbe bevezetett tápvíz-részáram mennyiségének változtatásával történhet. Olyan megoldást is alkalmaztak, amelynél a teljes gőzmennyiséget átvezették a hőcserélőn. Működését nehezítheti a tápvízmennyiség és a hőmérséklet esetleges ingadozása.
 
2.161. ábra. A gőz visszahűtése
 
    • Biflux frissgőz-újrahevített gőz hőcserélő. Elsősorban az újrahevített gőz befecskendezésmentes hőmérséklet-szabályozására alkalmazzák. Az újrahevítési nyomásra méretezett tartályon átáramló újrahevített gőzt a tartály belsejében elhelyezett csőkígyókon részáramban átvezetett, nagyobb hőmérsékletű frissgőzzel fűtik. A frissgőz-túlhevítő felületeket az újrahevített gőznek átadandó hőmennyiség figyelembevételével túl kell mtéretezni. A szabályozás a frissgőz-részáram változtatásával történik.
    • Triflux füstgáz-újrahevített gőz-frissgőz hőcserélő. Az előző megoldáshoz hasonlóan az újrahevített gőz befecskendezésmentes hőmérséklet-szabályozására szolgál. A fűtés a külön edényben elhelyezendő biflux megoldáshoz képest a füstgázáramban elhelyezett dupla csöves hőcserélőben valósul meg (lásd 2.137. ábra, 2.138. ábra). Ez esetben is szükséges a frissgőz-túlhevítő felület túlméretezése. A szabályozást a frissgőz-részáram változtatásával oldják meg.
    • Aeroflux levegő-frissgőz hőcserélő. Ez a megoldás is az újrahevített gőz befecskendezésmentes hőmérséklet-szabályozására szolgál. Az újrahevített gőz a meleglevegő-csatornában elhelyezett részáramú hőcserélőben hűl vissza. A szabályozás a hőcserélőbe vezetett újrahevített gőz mennyiségének változtatásával történik.
  • Vízbefecskendezés a visszahűtendő gőzbe. A túlméretezett túlhevítő felületeken túlmelegedett gőzt a túlméretezésnek megfelelő hőmérséklet-különbséggel (~20–40 °C) visszahűtik. A 2.160. ábrából látható, hogy esetenként nemcsak többletfelületek beépítésére kerül sor, hanem a befecskendezés nélküli megoldáshoz képest nagyobb kilépő hőmérséklet (TH2) miatt jobb anyagminőségre, nagyobb falvastagságra is szükség lehet. A leggyakrabban alkalmazott megoldás. Biztonsági okokból a kis mennyiségű befecskendezés lehetőségére a biflux, triflux és aeroflux hőcserélővel történő hőmérséklet-szabályozásnál is fel kell készülni. Visszahűtésre csak a gőz minőségét nem rontó (sótartalmát nem növelő) víz alkalmazható, ezért nem sótlanított tápvíz esetén csak lekondenzáltatott gőzt szabad visszahűtésre felhasználni. Gyakorlati megvalósítására alapvetően háromféle megoldás terjedt el:
    • A kilépő- és belépőkamrákat összekötő csővezetékbe beépített befecskendezés.
    • Visszahűtő kamrába beépített befecskendezés.
    • Nedvesíthető töltetet (pl. Raschig-gyűrűket) tartalmazó kamrába történő vízbevezetés.
A legegyszerűbb, csővezetékbe beépített megoldás helyett a bonyolultabb megoldások alkalmazását – elsősorban ipari kazánoknál – a befecskendezett vízcseppek elpárolgásának, egyenletes keveredésének időigénye indokolhatja. A külön kamrában, tölteten keresztül történő nedvesítés esetén egyrészt kedvezőbb keveredés valósítható meg, másrészt nagyobb párolgási felület biztosítható. Esetenként azonban e megoldásoknál sem lehet kizárni a cseppelragadást.
 
A vízbefecskendezés hőmérlege: A befecskendezendő vízmennyiség meghatározása a keveredési folyamat hőmérlege (2.162. ábra) alapján történik:
 
(2.158)
 
amelyet átrendezve
 
(2.159)
 
ahol
a befecskendezett közeg mennyisége [kg/s],
a gőzáram a befecskendezés után [kg/s],
a gőz entalpiája a befecskendezés előtt [kJ/kg],
a gőz entalpiája a befecskendezés után [kJ/kg],
a befecskendezett víz entalpiája [kJ/kg].
 
2.162. ábra. Befecskendezéses hőmérséklet-szabályozás
 
Látható, hogy annál nagyobb visszahűtőközeg-mennyiségre van szükség, mennél nagyobb a visszahűtés mértéke. Javasolt, hogy az összes befecskendezés együttes mennyisége a kilépő gőzáramra vonatkoztatva túlhevítőknél az 5, újrahevítőknél az 1 százalékot ne haladja meg.
 
2.163. ábra. Abefecskendezőhely kialakítása
 
A befecskendezések kialakítása: A befecskendezések kialakításánál különösen ügyelni kell a beporlasztott víz finom cseppeloszlására, a gőzzel történő egyenletes elkeveredésére és a vastagabb falú csővezetékekben, tartályokban az esetleges hőlökések elkerülésre. Az elhelyezésre általában a túlhevítő kamrákat összekötő vezetékekben kerül sor, amelyre két megoldást alkalmaznak széleskörűen (2.163. ábra). A gyakrabban alkalmazott védőcsöves megoldásnál (2.163. ábra (a)) az összekötő cső egyenes szakaszába benyúló egy vagy több, perdületes, nyomásporlasztásos fúvókával ellátott porlasztóvezetéket védőcsővel veszik körül. A mintegy 4–5 mm falvastagságú védőcső feladata elsősorban az áramló gőznél lényegesen kisebb hőmérsékletű vízcseppek csőfalnak ütközésének megakadályozása, ezzel a hőlökés elkerülése, másrész az így kivált, vízfilmet képező folyadék részére elpárologtató felület biztosítása. Kialakításánál figyelemmel kell lenni a stabil rögzítésre, a rugalmas tágulási lehetőségre, az esetleges rezgések, rezonancia elkerülésére, a kellő hosszúságra, a megfelelő hőállóságra (a nagyszámú, befecskendezett mennyiség változásnál előálló hősokk elviselésére). A Venturi-csöves megoldásnál (2.163. ábra (b)) a hűtőközeg bevezetésére nem fúvókákon, hanem cső szűkületében elhelyezett porlasztónyílásokon kerül sor. Ezzel a gőz és a víz egyenletesebb elkeveredését kívánják elérni.
Az előbbiektől eltérő, kisebb kazánoknál alkalmazott megoldást mutat a 2.164. ábra [2.116], amelynél a befecskendezést a két fokozat közötti függőleges összekötő kamrában helyezték el.
 
A hőmérsékletek kiegyenlítődése vízbefecskendezésnél: A befecskendezett vízcseppnek először a helyi nyomásnak megfelelő telítési hőmérsékletre kell melegedni, el kell gőzölögni, a gőznek egyenletesen el kell keveredni. Az elpárolgás, a hőmérsékletek kiegyenlítődése lassú folyamat. Utóbbi − mérések szerint − esetenként csak 8–10 m hosszú szakaszon következik be. A fúvókákból kikerülő vízcseppek felé a hőátadás sugárzással (elsősorban a csőfalról), konvekcióval (a gőz és a vízcseppek áramlási sebességkülönbségéből adódóan), vezetéssel (a sebességkülönbség kiegyenlítődése után a gőzzel azonos sebességgel „utazó” vízcseppet körülvevő határrétegen át) történik ((3.76), (3.77) képletek). A befecskendező szakaszban mind a gőz (~9-33 m/s), mind a kialakuló vízcseppek (14–24 m/s) sebessége széles határok között változhat, így a keveredés minősége, a hőátadás is lényegesen módosulhat. A folyamatok a gőz nyomásától, hőmérsékletétől is függnek. A legfontosabb azonban a csepphalmaz lehető legnagyobb felülete, amely a fúvókakialakítás és a porlasztási nyomáskülönbség mellett elsősorban a porlasztott mennyiségtől függ (kisebb terhelésen a befecskendezett mennyiség, áramlási sebességek is lecsökkennek, így a folyamatok minősége leromlik). Ennek megelőzésére olyan megoldásokat is alkalmaznak, amelyeknél kis teljesítményen kevesebb fúvóka működik, és a kazánterhelés függvényében növekvő befecskendezési igény biztosítására több fúvókát kapcsolnak be.
 
2.164. ábra. Közbenső kamrában kialakított befecskendezőhely [2.116]
 
A függőleges összekötő kamrában elhelyezett befecskendezésnél (2.164. ábra) a hőmérsékletek kiegyenlítődésére rendelkezésre álló úthossz korlátozott. A folyamat szempontjából előnyös, hogy a védőcső falának ütköző, ott összegyűlő hűtővíz a gravitáció hatására lassabban áramlik, esetleg visszafelé folyik. Az elgőzölgést az is elősegíti, hogy az előző fokozatból kilépő, visszahűtendő gőz a védőcső alsó szakaszát körbeáramolja, folyamatosan melegíti. A kamrán elhelyezett légtelenítő, víztelenítő vezetékek a túlhevítő csövekből a berendezés indításánál kiáramló közeg elvezetésére szolgálnak, normál üzemben zárva vannak.
A ma már kisebb jelentőségű Raschig-gyűrűs visszahűtő töltetnél alapvetően kétféle megoldást alkalmaztak. Az egyiknél a gőz függőlegesen lefelé axiális irányban áramlott át a befecskendezett vízzel azonos irányban nedvesített tölteten. A másik, gyakran alkalmazott megoldásnál a szokásosnál nagyobb átmérőjű − vízszintes, közbenső − kamrában, perforált vályúban helyezték el a töltetet, amelyet teljes hosszában felülről nedvesítettek, miközben a gőz alulról keresztirányban lépett be, és a vályú felett hosszirányban távozott. A töltet a porlasztott vízcseppekhez viszonyítva intenzívebb érintkezést biztosított, így helyigénye lényegesen kisebb volt. Hátránya a jóval nagyobb holtidő, lassúbb felfutás, így az utóbbi időben alig alkalmazzák. Az is megemlíthető, hogy miután az elgőzölgés a gyűrűk felületén történik, a gőz kevesebb sót visz magával, mint a befecskendezésnél, ahol a beporlasztott vízcseppek csaknem teljes sótartalma a gőzben maradhat. Ennek ellenére a befecskendezett víznek ez esetben is teljesen sótalannak kell lenni.
1 Próbanyomásnál a 20 °C-hoz tartozó folyáshatár, 350 °C-nál kisebb méretezési hőmérsékletnél a melegfolyás-határ, efölött a méretezési hőmérsékletre garantált melegfolyás-határ vagy időtartam-szilárdság (100–200 000 óra igénybevétel után szakadást okozó feszültség) közül a kisebb érték. Ezenfelül 350 °C felett ellenőrizni kell azt is, hogy a méretezési hőmérséklet 15 °C-kal megnövelt értékéhez tartozó időtartam-szilárdsággal, illetve kúszás- (tartós nyúlási) határral (100 000 óra igénybevétel után 1% nyúlást okozó feszültség) a biztonsági tényező értéke legalább 1 legyen.

Kazánok

Tartalomjegyzék


Kiadó: Akadémiai Kiadó

Online megjelenés éve: 2020

ISBN: 978 963 454 492 0

Háztartásokban, ipari üzemekben, erőművekben széleskörűen alkalmaznak tüzelőanyag elégetésével vagy más módon bevezetett hőmennyiség hőhordozó közeggel történő hasznosítására szolgáló berendezéseket: kazánokat. A könyv ezek tervezésének, üzemeltetésének, vizsgálatának szerteágazó konstrukciós, hőtechnikai, áramlástani, szilárdságtani, vegyészeti és más ismereteit foglalja össze, az egyetemi oktatásban és a gyakorlati életben is hasznosítható módon. Az elméletet élő gyakorlattal ötvözve elsősorban erőműi, ipari, távhőszolgáltató kazánokkal foglalkozik, de a folyamatokra, szerkezeti kialakításra, gyakorlati viselkedésre vonatkozó utalások kisebb berendezéseknél is alkalmazhatók.

Hivatkozás: https://mersz.hu/gerse-kazanok//

BibTeXEndNoteMendeleyZotero

Kivonat
fullscreenclose
printsave