Gerse Károly

Kazánok

2., javított kiadás


4.6. Kazántisztítás

A kazánok és az utánkapcsolt berendezések biztonságos működése és a gőztisztaság szempontjából fontos, hogy a csövekben, kamrákban, kazándobban, gőzvezetékekben a gyártás, szerelés után visszamaradt minden szennyeződést (reve, forgács maradványok, rozsda, hegesztési segédanyag-maradványok, olvadékok, olaj, zsír, festékmaradványok stb.) eltávolítsanak, és a szerkezeti elemek belső felületén a további korróziót megelőző, stabil magnetit védőréteg alakuljon ki. Ezt új kazánok üzembe helyezése előtt, nagyobb felújítások után, egy több lépésből:
  • öblítésből,
  • kifőzésből,
  • vegyszeres tisztításból, pácolásból,
  • kifúvatásból
álló folyamat segíti, amelyen belül egyes részfolyamatokat esetenként többször is ismételni kell. Az egyes részfolyamatok előkészítésére, végrehajtására a VGB-R 513 számú irányelve [4.62] ad részletes iránymutatást azzal, hogy a tényleges tisztítási folyamatot mindig az adott berendezés, gyártási folyamat tisztasága, a helyszín figyelembevételével kell megtervezni és végrehajtani. Fontos, hogy a kazán a tisztítás után mielőbb üzembe kerüljön. Késedelem esetén a berendezést a várható állásidőre konzerválni kell. Az üzembe helyezés előtti tisztítás költségeinek csökkentésére a gyártók széles körben alkalmaznak úgynevezett tiszta gyártást, szerelést, amellyel a szerkezeti elemekben visszamaradó szennyezés mennyiségét minimalizálják.
A technológiák folyamatosan fejlődnek, így a korábban szélesebb körben alkalmazott vegyszerek, eljárások kiszorulhatnak a gyakorlatból. Különösen a szerves komplexképzők – amelyek a korábbi szervetlen lúgokkal, savakkal végzett eljárásokhoz képest lényeges előnyökkel járhatnak a kazántisztítás, vegyszeres kezelés során – alkalmazásának elterjedése eredményezett nagy változást. Széleskörűen az NTA (nitrilo-triecetsav, N(CH2COOH)3) és az EDTA (etilén-diamin-tetraecetsav, C2H4N2(CH2COOH)4) betűszóval jelölt szerves savak alkáli- vagy ammóniumsói kerülnek felhasználásra [4.66]. Réz eltávolítására az EDA (etilén-diamin, C2H4N2) ammóniumsójának alkalmazása is ismert [4.68]. Ezek nemcsak állásidőben, hanem kis koncentráció mellett a berendezések üzemeltetése alatt is felhasználhatók. Ekkor – az alkalmazásuk nélküli esethez viszonyítva – stabilabb védőréteg kialakulását is elősegítik [4.66]. A védőréteg a szokásos lúgos üzemmódhoz képest – az állásidei korrózióval szemben is – hatásosabbnak tűnik. Lerakódásoldó hatásuk a lerakódásokkal történő Ca, Mg, Fe, Cu komplexképződésen alapul. Ezzel szemben szilikátos és olajkoksztartalmú rétegekkel, szervesanyag-maradványokkal, szinteresen kötött vas-oxidokkal szemben hatástalanok. A vas-oxidok és réz-oxidok oldásánál létrejövő komplexek szerkezetére [4.68]-ban találhatók szemléletes ábrák.
Az EDTA-komplexek stabilabbak, az NTA-típusú komplexek hőre érzékenyebbek (bomlanak) (Cu(II) ≤ 373 K, Fe(II) ≤ 533 K, Mg, Ca ≤ 590 K) és a belőlük képződött anyagok ártalmatlanítása egyszerűbb, így az utóbbiak alkalmazása előnyösebbnek tűnhet [4.66]. A szabad EDTA és NTA bomlása 220 °C felett kezdődik meg. Vegyszeres kezeléseknél, nagyobb koncentrációban alkalmazva, ötvözetlen és gyengén ötvözött acéloknál a magnetitréteget feloldhatják, és falvastagság-csökkenést eredményezhetnek. Krómacéloknál csak helyenként, míg ausztenites acéloknál gyakorlatilag nem tapasztalható fogyás [4.66], [4.68]. Ferrites-ausztenites kötéseknél érintkezési korróziót nem tapasztaltak.
A szállítók [4.64] jelenleg 62 bar kazánnyomás alatt elégségesnek tartják csak a kifőzést önmagában. Efölötti, szubkritikus nyomással üzemelő berendezések esetében az elgőzölögtető és tápvíz-előmelegítő szakaszokat kifőzik és vegyszeresen is tisztítják. Szuperkritikus kazánoknál rendszerint a kondenzátor, a tápvíz-előmelegítő rendszer, valamint a kazán „elgőzölögtető” és tápvíz-előmelegítő felületeinek lúgos és savas tisztítását végzik el. A túlhevítő és újrahevítő felületek vegyszeres tisztítása korábban nem volt gyakorlat, miután ez lényegesen növeli a folyamat bonyolultságát, költségeit. A kifúvatások időtartamának csökkentésére azonban egyre gyakrabban alkalmazzák. Az elgőzölögtető és tápvíz-előmelegítő felületek ásványi vagy szerves savas (kelátos) tisztítását általában a berendezés üzembe helyezése előtt végzik el. Esetenként ezt (néhány héttel, de akár egy évvel is) az üzembe helyezés utánra halasztják, amikor a kondenzátorból, tápvíz-előmelegítő rendszerből a szennyeződések már átkerültek a kazánba. Ez azonban kockázatos lehet a kazán nagyobb hőterhelésű felületeinek élettartama szempontjából.
 
Öblítés: Feladata a kazánban visszamaradt szilárd szennyeződések eltávolítása. A kazánt kb. 60 °C hőmérsékletű tápvízzel feltöltik, majd a kazán mélypontjain elhelyezett leiszapoló vezetékeken nagy sebességgel leürítik. A szennyeződések eltávolítására legalább az üzemi áramlási sebesség másfélszeresét célszerű alkalmazni. A töltési, ürítési ciklusok száma a berendezés kialakításától, nagyságától függ. Kisebb berendezéseknél, nagy vízterű kazánoknál kifőzés előtt esetenként egy öblítés is elegendő, nagyobb berendezéseknél a durvább szennyeződések eltávolítása is csak több öblítéssel érhető el (4.37. ábra). A gyakorlatban gyakran néhány öblítéssel, a kifőzésnél, vegyszeres tisztításnál esetleg dugulást okozó szennyeződések eltávolításával is megelégszenek, és a további tisztítást a kifőzés során végzik el.
 
4.37. ábra. Az öblítés hatása a kazánvíz oldott Fe-tartalmára
 
Kifőzés: Feladata a szennyeződések, olaj-, zsír-, festékmaradványok eltávolítása, elsősorban mechanikai és hőhatással, lúgos kémhatású vegyszerekkel. A gyakorlatban a történelmi fejlődés sorrendjében: erősen lúgos, lélegeztető kifőzést, gyengén lúgos kifőzést és szerves anyagokkal végzett kifőzést alkalmaztak. A hagyományos, lúgos kifőzéseknél vegyszerként 0,1–1% trisót (Na3PO4) adagolnak felületaktív anyagokkal, nedvesítőszerekkel együtt. Emellett Na3PO4 és Na2HPO4 keveréke [2], nátronlúg (NaOH), nátrium-karbonát (Na2CO3), nátrium-nitrát (lúgkorrózió ellen), nátrium-szulfit (oxigénkorrózió ellen) [4.63], [4.64] felhasználása is szokásos. Nátronlúg, nátrium-karbonát felhasználásánál, az erősen lúgos kémhatás miatt, különösen óvatosan kell eljárni.
A berendezést a kifőzéshez megfelelően elő kell készíteni, például: a vízállásmutató üveget ideiglenes, a kifőzés alatt használt üvegre kell cserélni, a kazándobból a terelőlemezeket, dob-beépítményeket el kell távolítani, hogy a tisztító közeg a dob egész felületéhez hozzáférjen, el kell távolítani a rézből, bronzból készült szerkezeti elemeket, ki kell alakítani a folyamat végrehajtásához, ellenőrzéséhez szükséges megkerülő vezetékeket, ideiglenes rendszereket.
 
4.38. ábra. Lélegeztető kifőzés
 
A kifőzésre a kazángyártó vagy vállalkozó előírásai alapján és irányításával kerül sor. Esetenként a túlhevítők kifúvatása követi. Példaként – a 4.38. ábrán – a nagyobb erőművi kazánoknál alkalmazott lélegeztető kifőzés lefolyását vázoljuk. A vegyszerek által nem oldható szennyeződések leválásához feszültségkülönbségre, torlóerőre van szükség. A lélegeztető kifőzésnél ezeket a nyomás csökkenése (hőfeszültségek az elgőzölögtető rendszerben), kifúvatás (nagy torlóerő a túlhevítő csövekben) biztosítja. Miután ezek a kazán szerkezeti elemeinek élettartamára is hátrányosak lehetnek, a kifőzésre és kifúvatásra több, fokozatosan növekvő nyomásszinten kerül sor. A ciklusok szükséges számát a kazánból távozó gőz minősége határozza meg. Gázturbinák utáni hőhasznosító kazánoknál a kifőzéshez csak a gázturbina kipufogógáza áll hőforrásként rendelkezésre. A lélegeztető kifőzéshez ennek teljesítményét kellene megfelelően változtatni. Ezért a kis részterhelésen, rossz hatásfokkal történő üzemelés elkerülésére a 4.38. ábrán vázolt, lépcsőzetes nyomású eljárás helyett a folyamatos, csúszó nyomással végzett kifúvatást alkalmazzák, vagy nagyobb leiszapolással, az előírt víz- és gőzminőség eléréséig, úgynevezett „tisztító” üzemvitelt folytatnak [4.30].
A szerves anyagokkal történő kifőzésnél az NTA nátrium- és ammóniumsóit, a poliakrilsavat kötésben polialkilaminnal, valamint a szénsavat kötésben monoalkilaminnal alkalmazzák 0,01–0,02% mennyiségben. Miután a szerves anyagokkal való kifőzésnél [4.66] a szennyeződések oldódása, a védőréteg képződése a hagyományos kifőzéshez viszonyítva sokkal gyorsabban megy végbe, az eljárások alkalmazásában járatos szakcégek elégségesnek tartanak két, 24 órás, közbenső ürítéssel, öblítéssel összekapcsolt kifőzést (a másodiknál esetleg mérsékelt vegyszeradaggal) a kazán csökkentett (a vegyszerek alkalmazási hőmérsékletének megfelelő) engedélyezési nyomásán. A folyamatot a vegyszerfelesleg változása alapján lehet ellenőrizni. Amennyiben a vegyszerfelesleg stabilizálódik, a kifőzés az eredetileg tervezett időnél hamarabb befejezhető. Fontos megjegyezni, hogy az ürítés során leeresztett víz megfelelő kezeléséről, vagy ennek helyi lehetősége hiányában elszállításáról gondoskodni kell, mivel a képződött vegyületeket tartalmazó folyadékok sem közcsatornákba, sem élő vizekbe nem engedhetők be.
 
Vegyszeres tisztítás, pácolás1: A kazán vegyszeres kifőzése után a csövek felületén visszamaradhatnak korróziótermékek vas-oxidok vagy jól tapadó gyártási reve formájában. Ezek a vas-oxidot oldó vegyszerek felhasználásával távolíthatók el, amelyek egyúttal a további korróziót gátló, vékony, stabil magnetitréteg kialakulását is elősegítik. A vegyszeres tisztítás a kazán kifőzését is helyettesítheti. A főbb lépések:
  • Öblítés ~60 °C hőmérsékletű, teljesen sótalanított (esetleg összeállást elősegítő vegyszerrel kondicionált) tápvízzel, a szilárd szennyeződések eltávolítására az előzőekben ismertetettek szerint azzal, hogy nagyobb berendezéseknél a szakaszos, leürítéssel járó öblítés helyett folyamatos átöblítést is alkalmaznak [4.67].
  • Zsírtalanítás (lúgozás, ~50–90 °C hőmérsékletű, a szerkezeti anyagokat nem károsító töménységű, nátronlúgoldattal, vagy más alkalmas vegyszerrel) az olajos, zsíros szennyeződések, festékmaradványok eltávolítására.
  • Ismételt öblítés a zsírtalanító anyag maradványainak teljes eltávolítására.
  • Vegyszeres tisztítás 40–70 °C hőmérsékletű, inhibitort is tartalmazó, ~1% töménységű citromsav (oxitrikarbalilsav, C3H4(OH)(COOH)3 vagy C6H8O7) [4.67] (esetenként só-, salétrom-, kénsav-) oldattal vagy szerves savak sóinak inhibitort is tartalmazó oldatával. A megfelelő töménységű, inhibitorral kevert vegyszeroldatot általában a maximális vas-oxid-koncentráció eléréséig adagolják, ezt követően az adagolást leállítják.
  • Öblítés mintegy 60 °C hőmérsékletű, teljesen sótalanított tápvízzel. Az öblítés sebessége sűrített nitrogéngáz bevezetésével gyorsítható.
  • Semlegesítés mintegy 40 °C hőmérsékletű ammóniaoldattal (vízben oldott ammóniával) [4.67] vagy más alkalmas, gyengén lúgos kémhatású vegyszeroldattal. Szerves tisztító vegyszerek használata esetén elhagyható.
  • Öblítés mintegy 60 °C hőmérsékletű, teljesen sótalanított tápvízzel a vegyszermaradványok teljes eltávolítására.
  • Passziválás mintegy 40 °C hőmérsékletű hidrogén-peroxid-oldattal az újabb korrózió megelőzésére.
 
Az irodalom más, a tisztításnál alkalmazott vegyszerekről is említést tesz. Az amerikai egyesült államokbeli források leggyakoribbként az 5%-os, inhibitorokkal, komplexonokkal kevert sósavoldat használatát [4.64] említik, amelyet mindig 0,25% ammónium-hidrogén-diflouriddal (NH4HF2) keverve javasolnak alkalmazni [2]. Utóbbi emellett a 2% glikolsav (HOCH2COOH)/1% hangyasav (HCOOH) keveréket, 0,25% ammónium-hidrogén-diflouriddal és korrózió elleni inhibitorral, az EDTA 3%-os ammóniumsóját inhibitorral keverve és a 3%-os ammónium-citrátot ((C6H8O7)2H3N) inhibitorral keverve is a gyakran használt vegyszerek között említi. 140 bar alatt foszfor-, kén-, szulfamin- (NH2SO3H) savak használatára is utalnak [4.64]. Túlhevítőkben, kényszerátáramlású kazánok csőrendszereiben az erősen illó glikolsav, hangyasav, EDTA, ammónium-citrát alkalmazható előnyösen, megfelelő inhibitorral keverve. A glikolsav-hangyasav keveréket azért tartják különösen biztonságosnak, mert a csőrendszerek elégtelen öblítése esetén esetleg visszamaradva szétesnek, elgőzölögnek [2].
A vegyszeres tisztításhoz a kazánt szakaszokra kell osztani, amelyeken belül:
  • a vegyszeres tisztításhoz felhasznált közeg receptúrája az adott szakaszban alkalmazott szerkezeti anyagoknak megfelelően megválasztható,
  • a folyamathoz szükséges kellő nagyságú, egyenletes sebességeloszlás biztosítható és
  • az áramlás iránya a jobban ötvözött acélok felől a gyengébben ötvözött acélok irányába kialakítható [4.67].
 
Végrehajtásához minden olyan anyagot, szerelvényt, amely az alkalmazott vegyszerek hatására károsodhat, el kell távolítani.
 
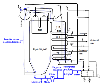
4.39. ábra. Tápvíz-előmelegítő, elgőzölögtető vegyszeres tisztítása
 
Dobos kazán elgőzölögtető és tápvíz-előmelegítő rendszerének vegyszeres tisztítására kialakított szokásos kapcsolást mutat a 4.39. ábra. A kellő hőmérsékletre előmelegített tápvízbe adagolt vegyszer keringtetése külön keringtetőszivattyúkkal történik. A tisztítófolyadék csak folyamatos mérés, ellenőrzés mellett juthat a kazánba. A vegyszer a tápvíz-előmelegítőn keresztül áramlik a kazándobba, majd onnan az ejtő és elgőzölögtető csőrendszerbe. A kazánt az elgőzölögtető rendszer alsó kamráinak leürítő, leiszapoló vezetékein hagyja el, és a folyamat ellenőrzésére szolgáló folyamatos mérést követően jut vissza az előmelegítőbe a megfelelő hőmérséklet beállítására. Az újrahevítő és a túlhevítő vegyszeres tisztítása esetén a tisztítóoldatot a gőzturbina nagy nyomású házának lezárt csonkjánál (amely megakadályozza a turbinába való bejutást), az újrahevítő hidegági gőzvezetékébe vezetik be, majd végigáramlik a vezetéken, az újrahevítő felületeken, a melegági gőzvezetéken. A melegági gőzvezetékből a lezárt gyorszáró és főgőz-szelepeket megkerülve a frissgőzvezetékbe jut, majd ezen végighaladva a túlhevítőkön átáramolva lép a kazándobba. A kazándobból az elgőzölögtető és tápvíz-előmelegítő felületeken halad tovább. Dobos kazánnál az elgőzölögtető és tápvíz-előmelegítő felületeken párhuzamosan áramlik. A leürítésre az elgőzölögtető alsó kamráin kerül sor. A nitrogénbefúvás a vegyszermaradványok lehető legjobb eltávolítására a túlhevítőkön keresztül történik.
Az alkalmazandó vegyszerösszetételt, vegyszerhőmérsékletet, az előforduló szerkezeti anyagokon végzett laborvizsgálatokkal, az esetleges megengedhetetlen mértékű anyagfogyás, károsodás megelőzésére ellenőrizni kell. Ellenőrző laborvizsgálatok még minősített eljárások esetén is indokoltak lehetnek. A folyamatot megfelelő helyeken, folyamatos vezetőképesség-, hőmérséklet-, zavarosodás-, pH-, redoxpotenciál-, Fe-, savkoncentráció-mérésekkel ellenőrizni kell mindaddig, amíg vegyszer a rendszerben előfordulhat.
A vegyszeres tisztítások során figyelembe kell venni, hogy a reakciók eredményeként a kazánban nagy mennyiségű hidrogén maradhat vissza. Ezért is indokolt a robbanásveszély elkerülésére az öblítésnél sűrített nitrogéngáz használata levegő helyett a kazán feltöltésére. A kazántisztítás hatásosságának ellenőrzése céljából történő megbontásnál (például dob kinyitása) azonban még ez esetben is ügyelni kell az esetleges robbanásveszélyre, a terek megfelelő átszellőzésére, gyújtószikra-képződés vagy bármilyen gyújtóforrás előfordulásának megelőzésére.
Egy nagyobb kazán tisztításánál 2000 m3 hulladékvíz is keletkezhet, amely a kazánból kihordott anyagokat, a tisztításhoz felhasznált vegyszerek maradványait is tartalmazza. Mint említettük, ezek nem kerülhetnek élővizekbe, közcsatornákba. Biológiailag lebontható anyagok használata esetén biológiai kezelésre vagy aktív szénnel történő lekötésre van szükség. A lúgos vagy savas hulladékvizeket a lebegő anyagok leválasztása után semlegesíteni kell. Amennyiben komplexképzőket (EDTA, NTA) alkalmaznak, ezeket vagy vissza kell alakítani, vagy el kell tüzelni a kazánban.
 
Kifúvatás: Feladata a kazán és a kapcsolódó csőrendszerek vegyszeresen nem tisztított szakaszaiban visszamaradt szennyeződések eltávolítása. Végrehajtásához a szerelvényeket meg kell kerülni. Gőzturbinához csatlakozó kazánoknál a kifúvatásra, a nagy nyomású turbinafokozatot is megkerülve, az újrahevítő melegági vezetéke(ke)n kerül sor, a vezeték(ek) gyorselzáró előtti szakaszát szabadra menő szakasszal megtoldva. A kifúvatást a szennyeződések eltávolításához kellő sebességet biztosító gőzmennyiséggel, a cső kiömlő nyílása elé polírozott acél-, réz-, vagy alumíniumtükröt helyezve kell végezni. A polírozott felületen a csőből nagy sebességgel kiáramló szennyeződések nyomot hagynak. Így a kifúvatás akkor tekinthető befejezettnek, ha a rendszeresen cserélt felületen becsapódási nyomok már nem láthatók. A kieresztett gőzmennyiség szabályozása az úgynevezett kifúvató tolózárral történik, amellyel lehetőség van a kazán minimális szabadra menő áramlás melletti feltöltésére, majd a tolózár nyitásával gyors nyomáscsökkentésre. Az ilyen, szakaszos kifúvatás, az átmeneti nagyobb sebességek miatt, tisztítóhatás szempontjából előnyösebbnek tűnik a folyamatos kifúvatásnál, ugyanakkor a nagyszámú ciklikus igénybevétel a kazán későbbi üzembiztonságára, élettartamára hátrányos lehet. A kifúvatás nagy vízveszteséggel jár, ezért megkezdése előtt kellő mennyiségű tápvízről, annak folyamatos pótlásáról gondoskodni kell.
 
Időszakos vegyszeres tisztítás: Mint a 4.2. fejezetben bemutattuk, a csövek belső felületén a magnetitréteg vastagsága üzem közben folyamatosan növekszik. Ezen túlmenően más szerkezeti elemekből kioldott fémionok, a tápvízből, befecskendező vízből sók rakódhatnak le a fűtőfelületeken. Ezek gátolják a hővezetést, így a fűtőfelületek falhőmérsékletét növelik. A lerakódások vastagodásával a hőmérséklet-emelkedés egyre nagyobb lesz. A magasabb hőmérséklet gyorsítja a szerkezeti anyag károsodását, csökkenti élettartamát. Ennek megelőzésére a lerakódások még megengedhető mennyiségét indokolt korlátozni. Az erre vonatkozó szabályozások általában irányelvek, az üzemeltető döntésén múlik, hogy követi-e őket vagy sem. A javasolt értékek mintegy optimumot jelentenek a kazán tisztításának költségei és a gyakoribb, gyorsabb meghibásodások által okozott károk között. 100 g/m2 lerakódás felett még kisebb nyomású kazánoknál is indokolt a vegyszeres tisztítás, jóllehet az irodalom [2] 69 barnál kisebb nyomású kazánoknál 200–400 g/m2 értéket ad meg. Az elgőzölögtető felületek tisztítását [4.86] 300–400 μm teljes rétegvastagság estén tartja ajánlottnak. Időszakos tisztításra a megengedett falhőmérséklet elérésekor, a kazánvízből kiváló és a csőfalon lerakódó sóréteg eltávolítására, a kisebb nyomású, oldott sókat tartalmazó tápvízzel táplált kazánoknál is szükség lehet. Sólerakódások esetén a tisztítások közötti üzemidők előrejelzésére Ahrnbom képlete [4.17] használható.
Az időszakos tisztítás:
  • a vegyszeres tisztításnál alkalmazottakhoz hasonló vegyszerekkel végzett belső mosásból,
  • tápvízzel történő, a laza lerakódások távozását elősegítő öblítésből,
  • a vegyszermaradványok semlegesítéséből, a tiszta vasfelületeken vékony védőréteg-képződést biztosító passziválásból és
  • az esetleg még visszamaradt anyagokat eltávolító, tápvízzel végzett öblítésből áll.
 
Az időszakos tisztítást keringtetéses vagy úgynevezett „áztatásos” módszerrel lehet végrehajtani. Az előbbinél a tisztításhoz a kazánon keresztül, külső szivattyúkkal keringtetik a tisztítófolyadékot, az utóbbinál a kazánt kellő időre feltöltik a tisztítófolyadékkal. Az előbbinél a vegyszer adagolása a kellően előmelegített, keringtetett tápvízbe történik, és folyamatosan lehetőség van (a kazánból kilépő közeg vizsgálatával) a folyamat ellenőrzésére. A folyamatot az üzembe helyezés előtti tisztításhoz hasonlóan a vegyszerfelesleg, illetve az oldott Fe-ion-koncentráció állandósulása esetén lehet befejezettnek tekinteni. Ezzel a módszerrel minden felület (akár a teljes kényszerített átáramlású kazán) bevonható a tisztítás folyamatába, bár általában nem tartják be a tisztítóközeg áramlásának a jobb minőségű felületek felől a gyengébb minőségű felületek felé javasolt irányát. Az áztatásos módszernél a feltöltött, tisztítási hőmérsékletre melegített kazánvízhez adagolják az előmelegített vegyszert, majd a berendezést „ázni” hagyják. A folyamat előrehaladását a kazán hozzáférhető helyeiről vett folyadékmintákon végzik. Ezt a módszert olyan berendezésekhez ajánlják, ahol a keringtetéses módszer nem alkalmazható. A kazánban a gondos keverés ellenére előfordulhat helyi vegyszerkoncentráció-növekedés és ebből adódó korrózió. A [2] irodalom az időszakos tisztításhoz nagyobb tisztítószer-koncentrációt ajánl, mint az üzembe helyezés előtti tisztításhoz. Réz-oxid szennyeződéseket is tartalmazó kazánoknál a rézkorrózió megelőzésére a rezet oldatban tartó komplexképzőket kell adagolni.
A szerves savak alkalmazása üzem közben elrakódott berendezéseknél is kedvező:
  • Nyomott vizes reaktorok gőzfejlesztőiben, üzemelés során képződött lerakodások szerves savak felhasználásával végzett eltávolításához vas-oxid esetén az eltávolítandó Fe tömegéhez viszonyítva célszerűen a sztöchiometrikusnál kevesebb, 1,1:1 arányú NTA-mennyiségről, 9–10 közötti pH-tartományról, 0,1–2 mg/kg közötti hidrazin jelenlétéről (a vas két vegyértékű állapotban tartásához), 150–200 °C közötti kedvező hőmérséklet-tartományról adnak ismertetést [4.68]. A közlemény réz-oxid-lerakódások EDA-val (C2H4(NH2)2, etilén-diamin) végrehajtott, a réz oxidációjának levegő, a vegyszeroldat vezetőképességének ammónium- karbonát hozzáadásával elősegített megnövelése melletti eltávolításáról is tájékoztat.
  • Hagyományos erőművi gőzkazánnál NTA-val 150 °C-on végzett tisztítás során, 10 óra alatt gyakorlatilag az összes lerakódást eltávolították [4.66].
 
Az atomerőművek gőzfejlesztőire vonatkozó széles körű tapasztalatokról [4.72] számol be.
1 A pácolás (pontosabban maratás) kifejezés a német szakmai gyakorlat, így a hivatkozott irányelv szóhasználata alapján használatos a hazai gyakorlatban.

Kazánok

Tartalomjegyzék


Kiadó: Akadémiai Kiadó

Online megjelenés éve: 2020

ISBN: 978 963 454 492 0

Háztartásokban, ipari üzemekben, erőművekben széleskörűen alkalmaznak tüzelőanyag elégetésével vagy más módon bevezetett hőmennyiség hőhordozó közeggel történő hasznosítására szolgáló berendezéseket: kazánokat. A könyv ezek tervezésének, üzemeltetésének, vizsgálatának szerteágazó konstrukciós, hőtechnikai, áramlástani, szilárdságtani, vegyészeti és más ismereteit foglalja össze, az egyetemi oktatásban és a gyakorlati életben is hasznosítható módon. Az elméletet élő gyakorlattal ötvözve elsősorban erőműi, ipari, távhőszolgáltató kazánokkal foglalkozik, de a folyamatokra, szerkezeti kialakításra, gyakorlati viselkedésre vonatkozó utalások kisebb berendezéseknél is alkalmazhatók.

Hivatkozás: https://mersz.hu/gerse-kazanok//

BibTeXEndNoteMendeleyZotero

Kivonat
fullscreenclose
printsave