Benyó Zoltán, Sándor Péter

Az agyi vérkeringés élettani alapjai: önszabályzó mechanizmusok


20.1.1. Neuromorfológiai kérdések

A perivascularis idegek jelenléte az agyi ereken bizonyítottnak tekinthető. Willis 1664-es első megfigyelései, majd német anatómusok XIX. század végi adatai óta tudunk a perivascularis idegek létezéséről, de teljesen meggyőző konkrétumokkal igazából csak a XX. század végének elektronmikroszkópos technikái szolgáltak (23. ábra, 24. ábra).
Perivascularis idegek az agyi keringés arteriás, capillaris és venás oldalán egyaránt kimutathatók. Sympathicus eredetű postganglionaris rostok igen fejlett plexust alkotnak mind az agyi arteriákon, mind az arteriolákon, egészen a 15–20 mm átmérőjű erekig. A praecapillaris rezisztenciaerek innervációja igen dús, a vénáké általában szegényesebb. A capillarisokon is megfigyelhető az innerváció, ezen érszakasz innervációja azonban nem perifériás, sympathicus eredetű, hanem (astrocytak közvetítésével) a centrális noradrenerg rendszertől érkezik. Az artériák innervációja igen heterogén: a carotis rendszeré például jóval gazdagabb, mint a vertebralis rendszeré.
 
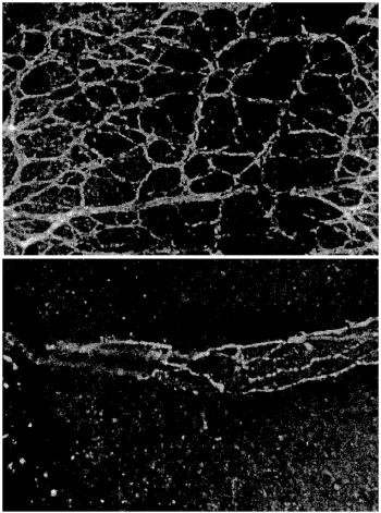
23. ábra. Gazdag noradrenerg rosthálózat az arteria cerebri media (A) és egy intraparenchymalis agyi arteriola (B) körül (Edvinsson L. és Krause DN, 2002, nyomán)
 
24. ábra. Cholinerg idegvégzõdés és egy intraparenchymalis capillaris kapcsolata a n. amygdala területén Az axonterminalis közvetlenül kapcsolódik az ér külsõ basalis laminájához. Ax: axonterminalis, bl: basalis lamina, end: endothelsejt (Armstrong DM, 1988, felvétele, Edvinsson L. és Krause DN, 2002, nyomán)
 
A neuromuscularis szinaptikus rés elég rövid ahhoz, hogy neurotranszmitterek át tudjanak jutni a perivascularis idegvégződéstől az érfali simaizomrostokhoz. Az idegi szabályozás erekre gyakorolt hatékonysága nagymértékben a szinaptikus rés méretének függvénye: a transzmitterkoncentráció csökkenése fordítottan arányos a szinaptikus rés nagyságának harmadik hatványával, minél kisebb a szinaptikus rés, annál nagyobb a neurotranszmitter koncentráció a posztszinaptikus receptorokon. A perifériás sympathicus rostok nemcsak az agyi érfal adventitiájáig jutnak el, szoros kontaktusba kerülnek a media simaizomrétegének külső részével is. Itt elvesztik Schwann-sejt borításukat, és mintegy 80–100 nm-re közelítik meg a simaizomsejteket, a neuro transzmitter átjutást tehát a szinaptikus rés nagysága lehetővé teszi. A perifériás és centrális eredetű rostok hatása azonban elsősorban nem ezek közvetlen érfali hatása révén, hanem az érfalat szinte teljesen körülölelő astroglia sejtek közvetítésével: a neuronok által aktivált astrocyta és az érfal kapcsolatán keresztül valósul meg.
A perivascularis idegek axonterminálisaiban neurotranszmitter tartalmú vezikulák mutathatók ki. Az intracranialis erek körüli rendkívül gazdag ideghálózatban hisztofluoreszcens és immunocitokémiai eljárásokkal előbb noradrenalint, acetil-kolint, 5-hidroxi-triptamint, majd a neurononak egy egészen új osztályát: a különböző polipeptidekben gazdag axonterminalisokkal rendelkező idegsejteket sikerült identifikálni.
A neurotranszmitterek szintéziséhez, release-éhez vagy lebontásához szükséges enzimek megtalálhatók a perivascularis idegekben, illetve az agyi érfalban. A pialis erek és az intraparenchymalis mikroerek (arteriolák, capillarisok, venák) falstruktúrájában egyaránt kimutathatók pl. a tirozin-hidroxiláz, dopa-dekarboxiláz, dopamin-b-hidroxiláz, monoamino-oxidáz, katekol-orto-metil-transzferáz, kolin-acetil-transzferáz, acetil-kolin-észteráz, tehát azok az enzimek, melyek a noradrenalin és acetil-kolin keletkezésében, illetve lebontásában jelentős szerepet játszanak.
Az agyi erek falában transzmitter molekulák kötésére alkalmas specifikus receptorok mutathatók ki. Adrenerg receptorok egyértelműen kimutathatók az agyi ereken. Fontos megfigyelés azonban, hogy a különböző speciesekre más-más adrenerg receptor altípusok jellemzők (emberek cerebralis artériáin az a1-receptor altípus dominál). Az acetil-kolin pialis erekre való juttatása konstrikciót és dilatációt egyaránt kiválthat, a hatás részben a speciestől, részben az érintett érszakasztól függ. (A dilatáció valószínűleg az endothelium muszkarin-1-receptorainak aktiválásával és az ezt követő nitrogén-monoxid szabadgyök-release-zel függ össze). Primer cerebrovascularis endothelsejttenyészetben számos neuropeptid specifikus receptorának jelenlétét sikerült bizonyítani.

Az agyi vérkeringés élettani alapjai: önszabályzó mechanizmusok

Tartalomjegyzék


Kiadó: Semmelweis Kiadó

Online megjelenés éve: 2026

ISBN: 978 963 331 713 6

Az orvos számára az agyi vérkeringés minden más szervünktől eltérő egyedi sajátosságainak vizsgálata a legérdekfeszítőbb kutatási területek közé tartozik. A kutatásoknak azonban csak akkor van igazán értelme, ha eredményei az agyi keringési katasztrófák megelőzését, az életmentést, a postischaemiás „neuronmentést” vagy a rehabilitációt szolgálják. Mik a feltételei annak, hogy a kutatások új eredményeit a betegágynál álló orvos értékesíteni tudja? Nyilvánvaló, hogy ha egy bonyolult, de korábban jól működő szerkezet elromlik, azt csak úgy lehet megjavítani, ha tisztában vagyunk eredeti, normális működésének részleteivel. Ha a gyógyító orvos nem ismeri a ziológiás agyi keringés alapvető sajátosságait és az azokat szabályozó mechanizmusokat, nehezen tud eligazodni és beavatkozni a pathologiás cerebrovascularis állapotok megszüntetése érdekében. Az agyi vérkeringés atalnak tekinthető kutatási területének hirtelen hatalmassá vált adattárában ma már nem könnyű eligazodni: a (főként angol nyelvű) tankönyvek csak 2-3 éves késéssel tudják követni a lényeges új információkat, ráadásul a legújabb információk nemcsak az agyi keringési szakfolyóiratokban, hanem szétszórtan, a legkülönbözőbb kutatási területek folyóirataiban látnak napvilágot. A könyv határozott célja, hogy segítséget nyújtson az egészséges agy legfontosabb vérkeringési sajátosságaival és az agyi vérellátás állandóságát biztosító önszabályzó mechanizmusokkal kapcsolatos korábbi és legújabb adatok rövid áttekintésében. Tudomásunk szerint ez az első összefoglaló munka, amely magyar nyelven ezzel a céllal nyomtatott formában közlésre került.

Hivatkozás: https://mersz.hu/sandor-benyo-az-agyi-verkeringes-elettani-alapjai-onszabalyzo-mechanizmusok//

BibTeXEndNoteMendeleyZotero

Kivonat
fullscreenclose
printsave